|
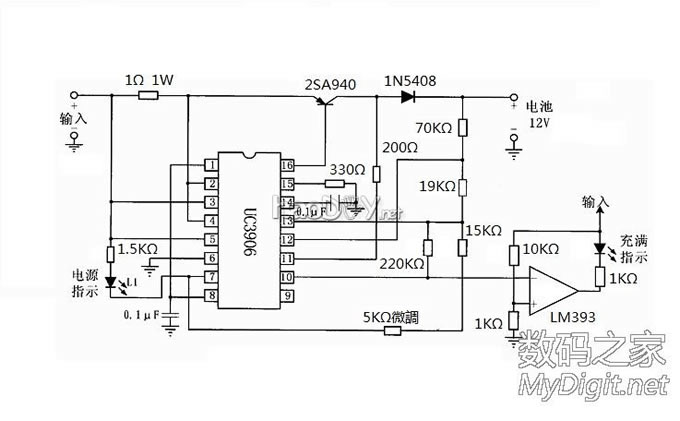
免维护铅蓄电池估计使用得最广泛,优点就不多说了,关键是寿命问题令人头痛,可以说,免维护铅酸的娇气程度堪比锂电池,免维护铅酸设计寿命一般是3-5年,300-500次深循环,但实际应用中,很多电池只用1-2年就完蛋了,虽说放电不当会严重缩短电池寿命,但是充电不当对电池的损害不亚于放电不当的损害。前一阵子做了一个开关电源的充电器,几个月下来,发现它缺点不少,用它充电的电池,用几个循环下来就必须均衡充电一次,它已经不适合再继续服役了,再做一个精密型自动充电器,取代它的位置。 这个充电器的核心是德州仪器公司生产的UC3906,铅酸蓄电池充电控制器,功能强大,由于功率不大,没有采用开关电源的方式,直接工频变压器降压,线性调整。 充电过程采用四段式充电,这应该是最适合铅酸蓄电池的充电方式:第一段是预充电,如果电池过放电,充电器会先以10mA左右电流为电池充电,当电池电压上升到启动电压10V时,进入恒流250mA充电阶段,这是第二段,在此,电池被恒流充电,当电压上升到电压达到转折点电压时,转入第三段恒压限流充电,这时电池电压不断上升,充电电流不断下降,电流下降到转折点电流25mA时,充电器转入第四阶段,浮充电,这时电池就算充好了,如果不急用,可以长期挂在充电器上,不会过充电。 其参数如下: 输入电源电压:220V 电池参数:12V 1.3Ah 预充电电流:<=10mA 充电启动电压:10V 最大充电电流:250mA,预留500mA和750mA条件 恒压转换电压:14.25V 恒压充电电压:15V 恒压终止电流:25mA 浮充电电压:13.8V 这是电路图,采用官方线路,基本没有修改
绘制线路板,继续采用热转印的方式
腐蚀好了
清洗,打孔
开始上元件,元件不多,先从SMT的开始 由于计算出的采样电阻不是标准阻值,所以需要很多电阻串联获得 70K的是68K+2K,19K的是16K+3K 设计PCB时专门设计了既可以安装直插式电阻,也可以安装SMT电阻 这样会很方便
然后是直插器件,从矮的开始
大电流走线镀锡处理
这就是今天的核心 UC3906集成电路,这么个小玩意35块钱 我至今没见过哪款充电器采用这个芯片 听说除颤仪里好像有,专门为卷绕式铅酸电池充电的 那种电池一节就要近200块钱,必须要有好充电器
装上
控制管,采用的是很常见的2SA940,最大750mA电流用它完全没问题
装上散热器
最后是滤波电容
请注意这个跳线 UC3906的充电电流是靠外接的电流采样电阻决定的 目前还不需要很高的电流,所以只安了一个采样电阻 旁边还有两个空位 安上三个电阻后,充电电流是750mA 如果需要改变电流,只需要动跳线帽就可以了 设计三档电流250mA,500mA和750mA
这是与之相配的变压器 220V/18V 20VA 满载可以出1.1A左右,桥式整流后输出电流是输入交流电流的0.75倍左右 按这样计算变压器最大1.1A输出,那整流后输出最大就是0.825A,因此,750mA的最大设计电流不会使变压器过载 ![]() ![]() 用前些天自制的电压表校正浮充电压,这个电压很关键 如果有偏离,对电池的损伤非常大。当然,这是指那些需要长期浮充运行的电池 如果是短时间,问题不大 浮充电压:13.8V,12V铅酸电池的标准浮充电压 ![]() 接入变压器和电池进行充电试验 运行良好 ![]() 外壳找了一个垃圾监控电源的铁盒 里面的芯子一塌糊涂,拆零件用了 ![]() 就是为了配合这个盒子,PCB才做得那么大,正经要 一半就够了 ![]() 先安变压器 ![]() 然后是线路板,事先仔细测量了安装孔距,这样做出来的 板子对位相当精确,只有一个孔用锉刀稍微修整了下 ![]() 安装输入电源的接口,这里采用的是普通的接线端子,引入市电的 ![]() ![]() 最后完工 ![]() ![]() 使用测试:充电对象是12V 1.3Ah的密封免维护铅酸蓄电池,400mA放电至10.5V,接本充电器充电,约6小时后充满指示灯点亮,测量电池端电压13.9V,电流17mA,再过一小时测量电池端电压13.9V,电流降至7.2mA,已经小于0.01C,充电完成。13.9V就意味单格电压是2.32V,低于电池的析气电压2.35V,前期的恒流+恒压充电保证了电池能够充满,后期浮充电能够恒定在析气电压以下,长时间充电电池也不会失水。 最后是PCB图,仅供参考 ![]() 完 (责任编辑:admin) |


















































