最好的电子音响科技diy制作网站

haoDIY_音响电子电脑科技DIY小制作发明

当前位置: 主页 > 电子DIY > 电源DIY > 升压降压 >

自制几款直流升压电路

时间:2013-01-05 16:07来源:网络 作者:网络整理 点击:
免费提供各种电子制作文章、资料、图纸

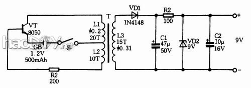
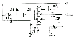
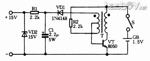
  直流升压就是将电池提供的较低的直流电压,晋升到必要的电压值,其根基的事变进程都是:高泼魅振荡发生低压脉冲——脉冲变压器升压到预定电压值——脉冲整流得到高压直流电,因此直流升压电路属于DC/DC电路的一种范例。
  在行使电池供电的便携装备中,都是通过直流升压电路得到电路中所必要的高电压,这些装备包罗:手机、传呼机等无线通信装备、摄影机中党肆光灯、便携式视频表现装置、电蚊拍等电击装备等等。
  一、几种简朴的直流升压电路
  以下是几种简朴的直流升压电路,首要利益:电路简朴、低本钱;弱点:转换服从较低、电池电压操作率低、输出功率小。这些电路较量适实用在万用电表中,更换高压叠层电池。

自制几款直流升压电路

自制几款直流升压电路

自制几款直流升压电路

]

自制几款直流升压电路

自制几款直流升压电路

自制几款直流升压电路

(责任编辑:admin)
织梦二维码生成器
顶一下
(2)
66.7%
踩一下
(1)
33.3%
------分隔线----------------------------
发表评论
请自觉遵守互联网相关的政策法规,严禁发布色情、暴力、反动的言论。
评价:
表情:
用户名: 验证码:点击我更换图片