|
本日做了一个555高压电路,输入12v拉弧2.5cm.空话少说,先上电路图
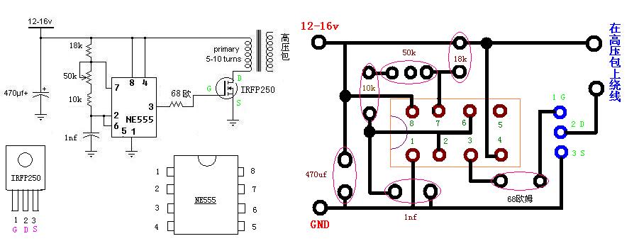
电阻用1/4W的,要18k,10k,68欧,和一个50k的可调电阻,电阻的阻值靠近就好了,由于电阻不是那么轻易找的,1nf的电容我用的是纶涤电容,标着102的就是了,470uf的用电解电容,耐压高点,555ic我用的是ha17555,mos管我用irfr260. 凭证右上边的图布线就可以了。 在高压包的磁环上饶5-10圈的漆包线, 这是元件
起首在洞洞板上安插元件
安插次序是从小到大,这样较量轻易安插
焊接
剪去引脚
接着凭证上面的图,在洞洞板上布线 接好后的样子
焊工不是很好啊O(∩_∩)O~
行使时,mos管发烧和大啊加个散热片
整体图
来个高压包特写
高压包是好久前买的,花了14大洋 啊
找不到漆包线,就用电线取代啊,
拉弧
这个高压电路尚有一个特点,弧长是可调的,这就是50k可调电阻的浸染,说了这么多,你也下手做一个 看看吧, 在玩是要留意安详,假如做好防护法子,高压电一点都不伤害,学过电的都知道,伤害的不是zvs,不是单管自激,不是tc,而是我们天天都打仗到的交换电。 接待围观 假若有疑问的话加QQ1659775450,我会极力为你解答
(责任编辑:admin) |






































