最好的电子音响科技diy制作网站

haoDIY_音响电子电脑科技DIY小制作发明

当前位置: 主页 > 音响DIY > 胆机DIY > 后级DIY >

6j9+6P3P 单端胆机

时间:2012-10-11 16:11来源:未知 作者:点击:
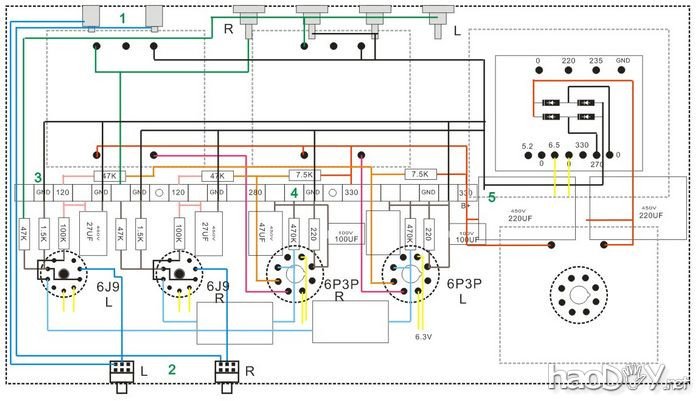
6P3P+6J9+6E2 输出功率6-7瓦 输出变压器76片4.2K/0-4-8 18H 电源变压器96片120瓦,初级0-220V-240V,次级0-250V-270V320mA,5V3A,6.3v2.5A 扼流圈66片 200mA 电感量5H以上 2010年11月 电路图为参考,实际装机需调试 安装图是用CorelDRW画的,先画安装图还

6P3P+6J9+6E2

输出功率6-7瓦
输出变压器76片4.2K/0-4-8 18H
电源变压器96片120瓦,初级0-220V-240V,次级0-250V-270V320mA,5V3A,6.3v2.5A
扼流圈66片 200mA 电感量5H以上
2010年11月
6j9+6P3P 单端胆机

 
6j9+6P3P 单端胆机
 
6j9+6P3P 单端胆机
 
6j9+6P3P 单端胆机
6j9+6P3P 单端胆机
 
6j9+6P3P 单端胆机
 
6j9+6P3P 单端胆机
 
6j9+6P3P 单端胆机
 
6j9+6P3P 单端胆机
 
6j9+6P3P 单端胆机
 
6j9+6P3P 单端胆机
 
6j9+6P3P 单端胆机
  
6j9+6P3P 单端胆机
 
6j9+6P3P 单端胆机
 
6j9+6P3P 单端胆机
电路图为参考,实际装机需调试
安装图是用CorelDRW画的,先画安装图还是有好处的,至少装机时快而不出错
用了输出4欧和8欧转换开关而减少后面二个输出接续柱
接地左右声道分开,按上图绿色的数字走,一点接地不错,开机不插音源耳朵贴近喇叭都听不到电流声
6E2的位置可以放扼流器或胆整流
(责任编辑:admin)
织梦二维码生成器
顶一下
(1)
100%
踩一下
(0)
0%
------分隔线----------------------------
发表评论
请自觉遵守互联网相关的政策法规,严禁发布色情、暴力、反动的言论。
评价:
表情:
用户名: 验证码:点击我更换图片
栏目列表
推荐内容