今天在做铝合金门窗的地方化了45块钱买了块铝材。上图。
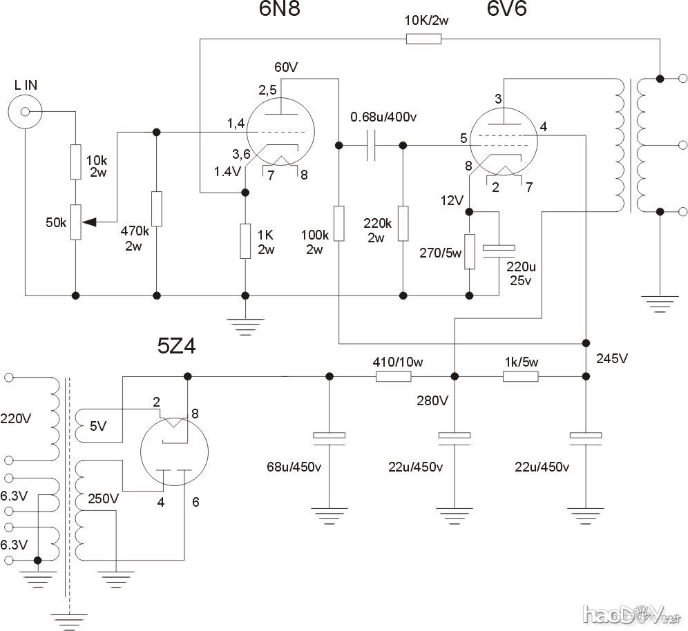
![]() 锯开后变成这样。 ![]() ![]() ![]() ![]() ![]() 11楼说的对,台钳是要换个位置。前面板正在胶合中,等干透了再修造型,应该很漂亮的。 现在把电路图发上来,请各位大大看一下,有没有问题。空间是有些紧张,做6N3+6P1换 小牛应该可以宽松些。 前段时间出差,昨天刚回来,继续发机箱完工图、搭棚图。 ![]() 本来准备用机器旁边的接线柱,买来后发现没绝缘片,自己懒得做,家里找了几个仪表上用的先用上,到时再换上去。上塔棚图。 ![]() ![]() 家里本来用的电烙铁功率太小,大些的焊点像豆腐花,后来买了把75W电烙铁发现还是有问题,这大概是焊丝有问题了。搭棚基本完成,除整流管外灯丝电压都正常,高压还没接,有些怕,等明天再检查一遍再接。 已经出声,声音很干净,比石机好听的多了,好像功率有点小。最后线路改成这样。 这是我平生第一台胆机,是根据手上现有的管子做的,过几天去买个6N9P试一下。这次做胆机在坛上学到很多东西,感悟很深,胆机声音不能评价(本人木耳),机箱还不尽人意,正好手上还有几个6N3,6P1现在正考虑做台小单端,这次机箱准备换个思路,做个洋气点的,到时候请大家指正。 (责任编辑:admin) |


































