最好的电子音响科技diy制作网站

haoDIY_音响电子电脑科技DIY小制作发明

当前位置: 主页 > 音响DIY > 胆机DIY > 后级DIY >

6p14小单端

时间:2017-05-31 21:24来源:www.crystalradio.cn 作者:dxksyl 点击:
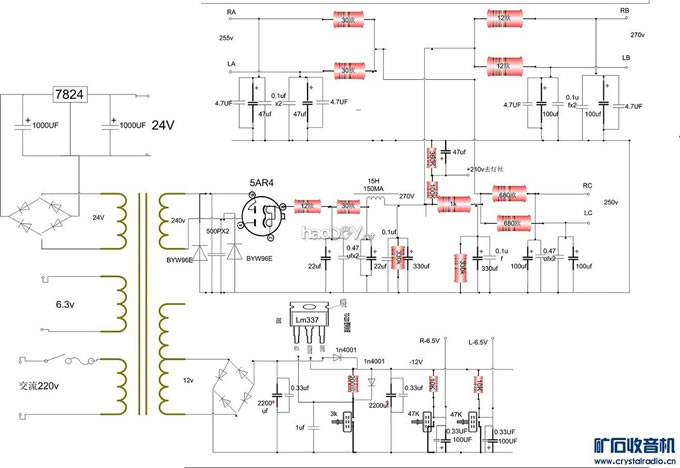
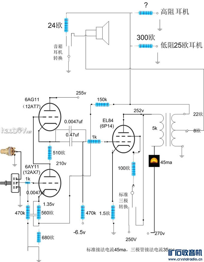
内部图 测试方波 噪音 这是实做的图
6p14小单端6p14小单端6p14小单端6p14小单端6p14小单端
内部图
6p14小单端6p14小单端6p14小单端

 


测试方波
6p14小单端6p14小单端6p14小单端6p14小单端6p14小单端6p14小单端

噪音
6p14小单端

这是实做的图
6p14小单端6p14小单端

 

(责任编辑:admin)
织梦二维码生成器
顶一下
(0)
0%
踩一下
(0)
0%
相关文章
------分隔线----------------------------
发表评论
请自觉遵守互联网相关的政策法规,严禁发布色情、暴力、反动的言论。
评价:
表情:
用户名: 验证码:点击我更换图片
栏目列表
推荐内容