最好的电子音响科技diy制作网站

haoDIY_音响电子电脑科技DIY小制作发明

当前位置: 主页 > 音响DIY > 胆机DIY > 后级DIY >

可说史上最简洁廉价的6N1胆管单端......

时间:2017-09-18 21:16来源:www.crystalradio.cn 作者:gs7829 点击:
可说史上最简洁廉价的6N1胆管单端...... ,矿石收音机论坛
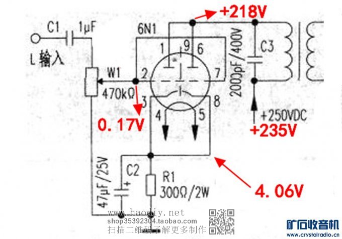
6N1采用单管三极管并联接法,做着玩可说史上最简洁廉价的6N1胆管单端...... 只做了一个声道,输出牛为220V/6V普通变压器,只要选材无误可一次成功,输出不失真功率大约1W,小房间应该足够了,可说史上最简洁廉价的6N1胆管单端...... 不必调试即可得到不错的音色,可说史上最简洁廉价的6N1胆管单端...... (本电路采用上海6N1,如用北京6N1电压参数会有所改变)音源为SONY DAT D8  音箱是老惠威书架S5,仅个人感觉此电路中低音突出丰满圆润耐听,尤其听赵鹏的歌,不足之处高音稍暗,不过如此简易的机机已经很不错,可说史上最简洁廉价的6N1胆管单端...... 最适合初学的朋友制作,以此即练手又有胆味浓郁的音色,仅此而已,不足之处还望各坛内大神指教。可说史上最简洁廉价的6N1胆管单端...... 

实物如图:

可说史上最简洁廉价的6N1胆管单端......

可说史上最简洁廉价的6N1胆管单端......

可说史上最简洁廉价的6N1胆管单端......

可说史上最简洁廉价的6N1胆管单端......

可说史上最简洁廉价的6N1胆管单端......

可说史上最简洁廉价的6N1胆管单端......

可说史上最简洁廉价的6N1胆管单端......

可说史上最简洁廉价的6N1胆管单端......

可说史上最简洁廉价的6N1胆管单端......

可说史上最简洁廉价的6N1胆管单端......

可说史上最简洁廉价的6N1胆管单端......

可说史上最简洁廉价的6N1胆管单端......

可说史上最简洁廉价的6N1胆管单端......

可说史上最简洁廉价的6N1胆管单端......

DAT顾名思义就是digtal audio tape数字音频磁带的缩写,是一种高密度数字磁带录音介质,频率采样为三种模拟LP32KHZ、数字44.1KHZ及模拟48KHZ,以主由索尼公司研制,爱华第一个推出的原型产品,由于开发代价及制造代价高昂及出于对版权的考虑,面向的主要用途为专业领域,多为灌制CD前的母带制作。1996年2月索尼在TCD-D7的基础上推出了改良型的TCD-D8,在D7的基础上增加了44.1KHZ模式,输入口也改用镀金口,4节5号电池驱动,在当时是被公认为音质在DAT walkan中最好的一款机器。频响宽,动态大,声音干净靓丽......可说史上最简洁廉价的6N1胆管单端...... 

可说史上最简洁廉价的6N1胆管单端......

可说史上最简洁廉价的6N1胆管单端......

可说史上最简洁廉价的6N1胆管单端......

可说史上最简洁廉价的6N1胆管单端......

可说史上最简洁廉价的6N1胆管单端......

可说史上最简洁廉价的6N1胆管单端......

可说史上最简洁廉价的6N1胆管单端......

可说史上最简洁廉价的6N1胆管单端......

可说史上最简洁廉价的6N1胆管单端......

可说史上最简洁廉价的6N1胆管单端......

可说史上最简洁廉价的6N1胆管单端......

可说史上最简洁廉价的6N1胆管单端......

可说史上最简洁廉价的6N1胆管单端......

可说史上最简洁廉价的6N1胆管单端......

可说史上最简洁廉价的6N1胆管单端......









可说史上最简洁廉价的6N1胆管单端......

可说史上最简洁廉价的6N1胆管单端......

可说史上最简洁廉价的6N1胆管单端......

可说史上最简洁廉价的6N1胆管单端......



 
(责任编辑:admin)
织梦二维码生成器
顶一下
(0)
0%
踩一下
(0)
0%
相关文章
------分隔线----------------------------
发表评论
请自觉遵守互联网相关的政策法规,严禁发布色情、暴力、反动的言论。
评价:
表情:
用户名: 验证码:点击我更换图片
栏目列表
推荐内容