仿制MARANTZ马兰士 7胆前级
时间:2012-10-13 20:56来源:未知 作者:admin 点击:
次
自从印尼TubeAudioEnthusiastsClub成立以来,会友之间的来往频繁,虽然经济萧条的乌云笼罩大地,但研究与制作的兴致丝毫不减。近日与好友共同仿制了Marantz7前级。 整流与稳压电路 电子管的放大原理在于屏流受栅极电压的影响流经屏阻,形成相对放大的屏压,所
自从印尼Tube Audio Enthusiasts Club成立以来,会友之间的来往频繁,虽然经济萧条的乌云笼罩大地,但研究与制作的兴致丝毫不减。近日与好友共同仿制了Marantz 7前级。
整流与稳压电路
电子管的放大原理在于屏流受栅极电压的影响流经屏阻,形成相对放大的屏压,所以电子管需要直流工作电源供应屏极正高压(在四极管中,包括帘栅极)来吸引电子,部分后级管也需要直流负压供应栅极来控制电子的放射,以及直流低压使灯丝发热放射电子。
早期的电子管机用二极管来整流,此类整流管的缺点是体积大效率低,电子管的老化也影响放大器的工作能力。 用二极管整流的优点在于高压的产生是随着灯丝的加热而逐步形成,避免了放大管蒙受瞬间高压袭击,从而延长放大管的寿命。对一些昂贵的放大管来说,除非利用延迟线路来拖延高压,就非用二极管整流不可。前级管因电压不大,考虑到占位和散热问题,用半导体来整流还是更适合的。
至于稳压电路,现代生产的高级前置放大器都以改良和增进稳压电路功能为主。而放大器的设计多年来基本上都没有什么变化。稳压电路本身的制作往往占了比放大器更大的空间,甚至需要一个独立的机身。稳压电路之所以如此重要,在于屏极与灯丝的工作电压必须绝对稳定,屏极电压/电流含有工作电压/电流,也含有放大电压/电流,任何不稳定的电源供应都会影响屏压,导致失真。阴极电子发射来自灯丝热能,发射的电子量直接影响屏流,稳定的灯丝电压也是一部高级前置放大器必备的。
放大级的设计
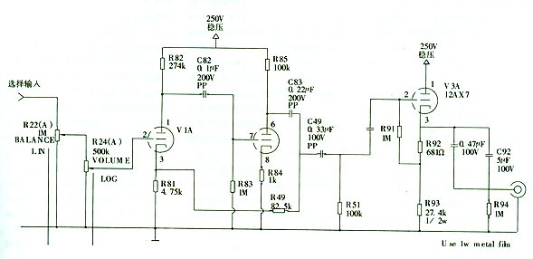
Marantz 7前级30年前闻名一时,至今仍成为收藏家收购的对象,价值高达数干美元。去年Marantz又重新限量生产此机,从机身设计到全部套件无一不和原Marantz 7一样,可惜售价高昂,为普通爱好者所望尘莫及。本文的线路以旧式“点对点”焊接改为线路板。电阻、电容都换上现代产品,因考虑到制作问题和实际应用,作者删掉了不用的开关,输入部分只有phono和CD/Tape。此放大器phono由3只12AX7加上Line部的3只12AX7组成,此管是高增益高屏阻型管(u:100,rp=62.5k),杂音与微音效应低,phono信号经第一与第二管屏载放大后(plate loaded amplifier)进入第三管以阴极跟随放大电路(cathode follower)低阻抗宽频放大,再以负反馈输入第一放大管,线路放大级同样以3只12AX7放大。
制作
材料的选择尽可能在经济能力范围内购买高质量产品,变压器最为重要。由于笔者对香港产品不很熟悉,所以只能介绍笔者用过的Toroid Corpo-ration ofMaryland的环形变压器或Audio ElectronicSupply的PT型变压器。如读者手头上拥有现成其他产品,可稍为参考电源部分制作,电容电阻必须找误差系数小高质量的一种,每个元件都会带来各自特别的音色,读者可做一些实验来得到自己喜爱的音响效果。笔者个人觉得可试价廉物美的Kiwame或Vibroohm电阻和Wima电容,音量控制则用Alps产品,RCA座用Silver Sonic,Interconnect线也用SilverSonic的BL2,灯丝接线用Oxygen freeSilverCoated才好。
Phono输人部分灵敏度高,极容易因接线位置安排不当,牵起hum声,笔者觉得利用线路板制作是必要的,一来能更精密准确地安排零件避免交流噪声,二来较容易校对线路避免焊接错误。

电源部分由变压器、整流半导体二极管、电容组成,经过整流滤波的直流电由接线传至PCBl,PCBl的输出为VEE、VCC、VRER、F—、F1和Ground。F—和F1直接接到各管灯丝,其它的则再以导线接PCB2。PCB2是以IC LF351为主的稳压电盼,为每一只放大管提供了独立的稳定电源oB+正高压设在+250VDC。否则左右声道会不平衡。本机不须特别的调校,拥有一些电学基础的读者都能制造,只要心细,不急于求成,在香港条件如此优异的情况下,一定会做得更好。本文试音时用的灯电子管为Sovtek的12AX7 WXT,Telefunken ECC83,日本“日立”旧装新电子管以及中国制造的电子管,可说各有千秋。笔者认为,用子管都可以,重要的是左右声道电子管的须一致。

原装机:

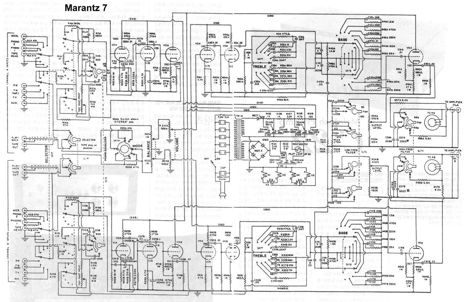
原版线路图:

(责任编辑:admin) |
织梦二维码生成器
------分隔线----------------------------