Grounded Grid 12au7 电子管前级装机报告
时间:2012-08-30 12:09来源:未知 作者:admin 点击:
次
一、前言 退伍到现在将近半年,这段期间我一面准备留学考试,一面也迷上DIY音响的乐趣。凭着单薄的电子学基础,我尝试弄些简单的套件边玩边学,同时也上网到处吸收知识,其中DZ已成为我精神食粮的最大来源。在看完一篇篇DZ的分类文章以及旧网页的文章后,深
一、前言
退伍到现在将近半年,这段期间我一面准备留学考试,一面也迷上DIY音响的乐趣。凭着单薄的电子学基础,我尝试弄些简单的套件边玩边学,同时也上网到处吸收知识,其中DZ已成为我精神食粮的最大来源。在看完一篇篇DZ的分类文章以及旧网页的文章后,深受其中由谭孝文先生以及孙恩宏先生写的或翻译的文章所吸引,而这些文章都在谈论Bruce先生设计的电路。
再到Bruce先生的网站上浏览后,更迷恋上T-8和T-16 OTL管后级,以及Ground Grid管前级(以下简称GG)这些名机,无奈预算有限,连最便宜的GG都几经挣扎,仍不舍下单订购。
每当想起医学上所说,人类的听觉在青春期之后就开始走下坡了,便深感若不能在听觉正佳的年纪,品尝世间美好的声音,那将会是多大的憾事!很幸运地一次机会,孙恩宏先生在讨论区提醒我:「GG 自己用吴大的万用版加上真空管高压稳压两组自己 DIY 啦!」这才一语惊醒梦中人,从此我开始仔细研究DZ旧网页中的GG的电路,并张罗材料进行制作。
二、放大电路
制作过程中将放大电路和电源电路分别做在不同的电路板上。放大电路的部分包括电路板、12AU7真空管、DALE电阻,以及电容,全都是从DZ购得的零件,线材部分用友站的1mm OCC单蕊铜线,焊锡采2.5%含银焊锡,整体用料可说是不错的。
交连电容采WIMA Black Box 1.0μF电容做交连,2W的电阻则是用4颗同阻值的DALE电阻两两串联再两两并联而成,原电路中22μF的稳压电容改用RIFA 100μF电解电容并一颗0.1μ的金属皮膜电容,另外三颗金属皮膜电容则分别连接电源输入端和地,以改善音质。


三、电源电路
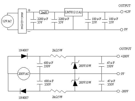
电源部分需要+200V、+12V和-200V的直流供电,由于找不到符合的变压器,再加上Bruce先生在文章中的一句话:「在这里优质的稳压器并不须要。」给了我自行设计稳压电路的胆量与信心。我的基本想法是一是参考Bruce先生的电路,二是经济考量胜于优质考量,因此选择用一颗T30供电,而且尽量保持高电流输出,将这颗T30的效能全部榨出来。
灯丝部分由T30的12V次级输出,经桥式二极体整流后,由一C-L-C电路稳压,再经一颗铁壳LM7812稳压器输出12V的直流,并在输出端再加电容稳压。7812锁在一颗486CPU的散热片上,看起来颇为壮观。
+-200V部分由T30的200V次级输出,将正负电压分开处理,分别经两个1N4007做半波整流后,再并电容稳压,此时理论上可得+-280V的电压。就+280V这部分来说,这么高的电压先经2kΩ5W的压降电阻,再并200V10W的Zener二极体与电容做最后的稳压。压降电阻用2颗1kΩ5W的金属氧化膜电阻串联(事实上这可以耐10W了),Zener部分则由11颗18V1W的小Zener串联,理论上可使电压稳定在198V。同理-280V的部分也如法炮制。
实际上电后,测量压降电阻的两端电位差只有50V左右(理论值为280V-198V=82V),这时电流为50V/2kΩ=25mA,正负两端总共吃掉T30高压次级端50mA的电,在T30输出容许的范围内。另外Zener的部分可能因为发热,电压提升至+-205V,也在Bruce所给的10%容许范围内。电容全用库藏多余料件,因此PHILIPS、ELNA、NIPPON-CHEMICON、和国产A牌电容全用上了,大电容甚至还得外接使用。就这么拼拼凑凑的,完成了电源级。
放大电路部分耗功不多,因此T30的输出能量大半在电源级就转换成热能了。近70℃的散热片令人敬而远之,在高温下工作的Zener也颇让人担心寿命与杂讯的问题。虽然在试听时都过关了,可是这样的电源日后绝对还有升级空间。


四、装箱
装箱过程顺利,箱体采尺寸为28cm x 21cm x 8.5cm的便宜货、开关与指示灯也都找便宜货来用,插座有滤波功能,保险丝采0.63A慢熔型,T30直立起来以铁丝固定,音量调节用DZ的100 kΩ A-TYPE可变电阻,输出入端子是镀金接头,讯号线为DZ的OCC铜线。接地部分用一10Ω电阻将电路的Ground和机壳接起来。建议整个箱体尽量多打洞,以保持内部空气对流畅通,加速散热。


五、开机聆听
再三检查电路无误,并用电表量测电源级供电正确,且电路板上无不当短路后,就可以把电源级和放大级的电路接在一起了。打开开关,灯丝缓缓亮起,保险丝没断,初步算是安了心。接着量电源电压,正常;量电路图中所标示特定点的电压,正常;再量输出直流电压,趋近零,正常;等个十分钟左右再重覆一次测量,也正常;接上讯源和后级,将音量开至最大,贴近喇叭听不到一点哼声。此时终于可以开始试听了。
讯源用一台Pioneer影碟机,后级是一台LM3875,喇叭为ELAC CL-82。之前我用的前级是Bluesky,换上GG后,感觉好像近视眼的人戴上眼镜一样,音场和乐器的定位都变得好清楚,低频活泼有弹性,完全能配合CL-82延伸至40Hz的低频,中高音不论清、亮、柔、细、厚、甜,都不带任何音染,表现得十分精准。
基本上以前文章中所描述的GG的特色都可以听得出来,而且是每一张CD都可以听得十分清楚。总而言之,绝佳的结像力与动态力、形体感与活生感、清晰度与传真度是我对GG音色的评语。(这一部分是我最不会写段落,因为声音是很主观的,如人饮水冷暖自知,我只能尽量说出我的感觉。)
六、心得
GG是我第一次搭棚的作品,个人觉得这台管前级非常适合新手初试啼声,原因有四:
1.整个放大电路只有3只真空管、13个电阻、3个电容,电路非常简单,Bruce先生提供的电路图也十分清楚。尽管对其中电路的工作原理一知半解,甚至完全不解亦无所谓,只要熟记各零件的位置,依样画葫芦,一步一脚印,便可零失误地完成。
2.Bruce先生的文章显示此机对供电的容忍度高,他还暗讽了一些音响疯狂者,并在电路图中提供了一个对那些发烧者来说可能不堪入目的稳压电路 低电流变压器+Clamper(倍压装置)+Zener+小电容。但重点是它仍能工作得很好!因此装机者可视需要或喜好,在电压和功率的要求范围内,自行设计各式各样的稳压电路。
3.此机的电路设计极为优异,而一部音响的好声,有90%要归功于电路的设计,这也暗示着装机者不必花费太多的金钱在零件上,即可做出极佳的成品。
以我为例,此次制作在使用了部分好料的情形下,连装箱仍然花费不到100美金,和Bruce先生所售的套件价格500美金相比,或和Bruce先生网页上所介绍的此机能达3000美金级的表现相比,就算音色略逊,也实在便宜太多太多了。高C/P值始终是大部分DIY的朋友们所乐于追求的目标,而GG很可能是目前C/P值最高的前级之一。
4.GG装机的成功,除了能带给装机者美妙的音乐享受以外,也能带来极大的成就感,并引发深入研究音响电路的热忱。兴趣与热忱,永远是促使人们进步的两大原动力。
|
|
|
|
(责任编辑:admin) |
织梦二维码生成器
------分隔线----------------------------