最好的电子音响科技diy制作网站

haoDIY_音响电子电脑科技DIY小制作发明

当前位置: 主页 > 音响DIY > 胆机DIY > 前级DIY >

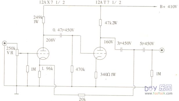
郑哥再摩马蒂Matisse 12at7 胆前级

时间:2012-08-30 12:25来源:未知 作者:admin 点击:
机壳是探照灯罩,卖家说是美军的探照灯壳~~内部元件现已换了1/3~~ 我三年前做的,至今保持着原貌.
 
郑哥再摩马蒂Matisse 12at7 胆前级


机壳是探照灯罩 ,卖家说是美军的探照灯壳~~内部元件现已换了1/3~~ 
我三年前做的,至今保持着原貌. 

郑哥再摩马蒂Matisse 12at7 胆前级


郑哥再摩马蒂Matisse 12at7 胆前级 (责任编辑:admin)
织梦二维码生成器
顶一下
(2)
40%
踩一下
(3)
60%
------分隔线----------------------------
发表评论
请自觉遵守互联网相关的政策法规,严禁发布色情、暴力、反动的言论。
评价:
表情:
用户名: 验证码:点击我更换图片
栏目列表
推荐内容