|
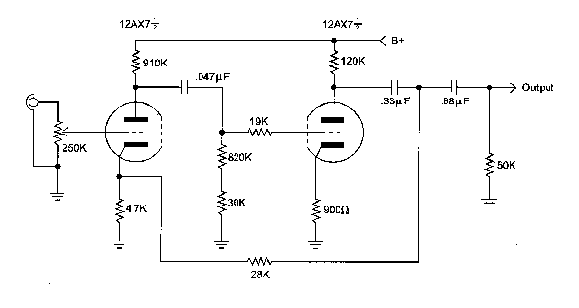
这部DYNACO前级,是我的第一部真空管前级。此机线路简单,却有不凡的表现,有许多的厂机也曾拿此线路加以改良,主要是加大交连电容的数值。关于它的表现,绝对让您值回票价。 本机的设计较为特殊,以两极共阴极式线路为放大级,第一级放大部分采用高达910K的电阻,如此可造就较大的放大率及动态,属于‘饿电流式’设计,而此处的电阻建议您使用低噪音的金属皮膜电阻,可有效减低杂讯。 机板部分的制作,本人采用PCB板的方式,如此可将零件较整齐的排列,并且减少组装的复杂性。零件方面的选择,电阻方面全数使用Holco电阻,交联电容有Solen及WIMA BlackBox,机板完成如下图。 电源部分变压器使用环型变压器,输入为110V,输出为220V 200mA,13V 3A。在高压电源方面,我使用较简单的C-R-C-R-C滤波,整流滤波后有270V的电压,灯丝部分使用一颗7812KC做稳压,电源方面还有很大的升级空间,若有兴趣的网友,可以参考另一篇’仿McIntosh C22前级’的制作,里头有稳压的线路及PCB板。 其他如Selector的制作,我使用继电器作为开关,一方面可以减少讯号线的长度,亦可以减少杂讯干扰等。音量控制为ALPS金属皮膜250KA可变电阻,机内的讯号线使用铁弗龙镀银隔离线。 机箱是使用1.5mm不锈钢板,背板的输出入端子,突波吸收器,保险丝,电源插座等孔洞,使用雷射切割。若网友认为不锈钢的加工不易,可使用铝板替代,否则不锈钢可不是好对付的家伙。左右二侧及面板则用木板做装饰。内部更使用一ㄈ字型的铝板做隔离,以提高整体的讯噪比。 完成后就是插上电试听了,首先让我惊艳的是,背景杂音出奇的宁静,即使将音量转到最大声,耳朵贴近喇叭听不到一丝的交流声,以此简单的电源即可做到这样的水准,相信若升级为稳压电源,会有更惊人的表现。整体的声音明快,定位准确,低频爆棚力道充足,若要挑的话,应该是在音场方面较为紧缩,解析力稍弱,但这些影响在整体的表现上,并不会特别凸显。动态大是这台前级的一大优点,用它来听交响乐是最适合不过的了,味道有点偏向晶体机的感觉,但中音部分仍保有管机一贯的温暖味,这经典的线路,仍然是有它的特色存在。 这部管机的表现,出乎我的意料,当其成功开声时,我把它和我之前所用的厂机McIntosh C28晶体前级做比较,一听之后,我发觉我以后都要听管机了,不管是解析力,音乐性等等,都十足优于C28。若有心的网友,不论您是初学者或非电子科班出身的人(我也不是),可以考虑尝试制作此机,线路简单成功率高,相信你会从中获得十足乐趣的。 (责任编辑:admin) |





























