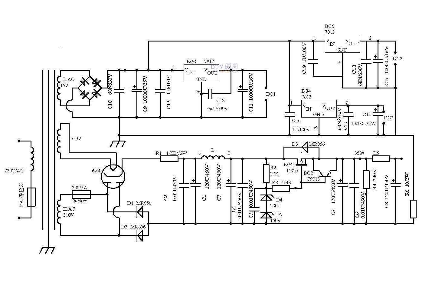
![]() ![]() 线路图 ![]() ![]() (责任编辑:admin) |
手里有几只6J1和6N3,没事就寻思着制作一台胆前级玩玩,以前搭过一台6N3的前级,感觉...
某天整顿货色时发现它呆在一个角落里, 预备摈弃时突发灵感, 怎样不应用它做胆前级? 用...
这台是2011年初diy的6n8p音调前级,之前做了一台el34推挽低音不足,才制作这台6n8p音...
在这里SHOW一SHOW,不是因为认为自己水平高,想是和喜欢直热古董胆的同志们一起分享DI...
想想自己玩音响几十年,由于条件有限,很多底盘都自己设计,因陋就简,既不好看、外观...
这个是日本人做的胆缓冲,对比教而言 音乐传真的 那款缓冲器简直是玩具了...
AUDIO NOTE M7 5670胆前级内部照
更新:2012-09-15
12ax7+12au7电子管通用胆前级制
更新:2012-08-30
仿制Mclintosh 麦景图C22 电子管
更新:2012-08-31
完工的M7电子管12ax7/ecc83唱放
更新:2013-02-11