|
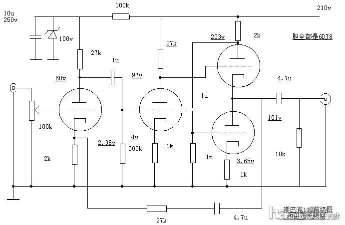
和田茂氏电路很多,我找到一张斯巴克的改进图。看起来还不错。今天花了大半天时间设计成PCB板。 大概情况为 前面两级共阴电压放大,最后一级WCF 电路。所有管子用6DJ8。所有电容用卧式。 一起来看看还需要怎么调整一下的。 先上电路图: PCB板图,红色接地有点像一个大蜘蛛盘在板中央。 ![]() ![]() 此线路是由两级纯A类放大加上一级共屏共阴输出方式组成。它的线路前两级采用6DJ8的两级共级阴放大,输出级则采用了SRPP方式,但这种SRPP方式的与众不同的地方是在上管的阴极与下管的阳极间没有那颗阴极电阻。与一般的电压放大有所不同,第三级的SRPP输出级并没有任何电压放大作用。只作为减少输出阻抗和增大输出电流的缓冲级使用,但比起普通的阴极输出器来说,驱动负载能够更强。在整体线路中,为了改善音乐的细节表现能力提高本机的电性能指标,本机使用了适当的环路负反馈,使输出阻抗降低,整体频响与失真度更低。它能够有如此优良的整体表现,我相信它最后一级特殊SRPP阴极输出线路才是整个线路中的精华所在。此线路的动态及高频响应比M-7全面胜出,其分析力和信噪比极高。 开板啦!发两个图跟大家分享! ![]() ![]() 最近休年假,在家做完成这个和田茂氏电路 ![]() 装上管! ![]() |































