|
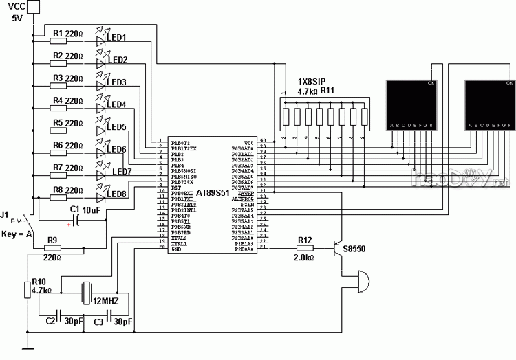
一、确定使命 开拓单片机最小体系 二、使命说明: 该体系具有的成果: (1)具有2位LED数码管表现成果。 (2)具有八路发光二极管表现各类流水灯。 (3)可以完成各类奏乐,报警等发声音类尝试。 (4)具有复位成果。 三、成果说明 (1)两位LED数码管表现成果,我们可以操作单片机的P0口接两个数码管来现这个成果; (2)八路发光二极管表现可以操作P1口接八个发光二极管实现这个成果; (3)各类奏乐、报警等发声成果可以回收P2.0这个引脚接一蜂鸣器来实现。 (4)操作单片机的第9脚可以计划成复位体系,我们回收按键复位;操作单片机的18、19脚可以计划成时钟电路,我们操作单片机的内部振荡方法计划的。 四、计划框图

五、硬件电路计划 按照本体系的成果,和单片机的事变前提,我们计划出下面的电路图。

六、元件清单简直定: 数码管:共阴极2只(分立) 电解电容:10UF的一只 30PF的电容2只 220欧的电阻9只 4.7K的电阻一只 1.2K的电阻一只 4.7K的排阻一只, 12MHZ的晶振一只 有源5V蜂名器一只 AT89S51单片机一片 常开按钮开关1只 紧锁座一只(利便芯取下来的,绿色的) 发光二极管(5MM赤色)8只 全能板电路版15*17CM S8550三极管一只 4.5V电池盒一只,导线多少。 七、硬件电路的焊接 凭证道理图把上面的元件焊接好,具体步调省略。
八、相干措施编写 针对上面的电路道理图,计划出本体系的具体成果: (1)、第一个发光二极管点亮,同时数码管表现“1”。 (2)、第二个发光二极管点亮,同时数码管表现“2”。 (3)、依次类推到第八个发光二极管点亮,同时数码管表现“8”。 以上呈现的是流水灯的结果 (4)、全部的发光二极管灭了,同时数码管实际“0”。 (5)、数码管表现“1”。 (6)、数码管表现“2、……”直到“9、A、B、C、D、E、F、Y”。 (7)、蜂鸣器发出九声报警声后一再上面全部步调。
(8)措施如下:
ORG 0000H;伪指令,界说下面的措施代码(呆板代码)从地点为0000H的单位存放。 LJMP START;跳转到标号为START的处所去执行。 ORG 0030H;伪指令,界说下面的措施代码(呆板代码)从地点为0030H的单位存放。 START:MOV P1,#0FEH ;点亮第一个发光二极管。 CLR P2.7 ;送低电平到第一个数码管,开启数码管。 CLR P2.6 ;送低电平到第二个数码管,开启数码管。 MOV P0,#06H;让数码管表现“1” 。 LCALL DELAY;挪用延时子措施,起到延时的目标。 MOV P1,#0FDH;点亮第二个发光二极管。 MOV P0,#5bH;让数码管表现“2” 。 LCALL DELAY;挪用延时子措施,起到延时的目标。 MOV P1,#0FBH;点亮第三个发光二极管。 MOV P0,#4fH;让数码管表现“3” 。 LCALL DELAY;挪用延时子措施,起到延时的目标。 MOV P1,#0F7H;点亮第四个发光二极管。 MOV P0,#66H;让数码管表现“4” 。 LCALL DELAY;挪用延时子措施,起到延时的目标。 MOV P1,#0EFH;点亮第五个发光二极管。 MOV P0,#6dH;让数码管表现“5” 。 LCALL DELAY;挪用延时子措施,起到延时的目标。 MOV P1,#0DFH;点亮第六个发光二极管。 MOV P0,#7dH;让数码管表现“6” 。 LCALL DELAY;挪用延时子措施,起到延时的目标。 MOV P1,#0BFH;点亮第七个发光二极管。 MOV P0,#07H;让数码管表现“7” 。 LCALL DELAY;挪用延时子措施,起到延时的目标。 MOV P1,#7FH;点亮第八个发光二极管。 MOV P0,#7fH;让数码管表现“8” 。 LCALL DELAY;挪用延时子措施,起到延时的目标。 MOV P1,#00H;灭了全部的发光二极管。 MOV P0,#3FH;让数码管表现“0” 。 LCALL DELAY;挪用延时子措施,起到延时的目标。 MOV P0,#06H;让数码管表现“1” 。 LCALL DELAY;挪用延时子措施,起到延时的目标。 MOV P0,#5bH;让数码管表现“2” 。 LCALL DELAY;挪用延时子措施,起到延时的目标。 MOV P0,#4fH;让数码管表现“3” 。 LCALL DELAY;挪用延时子措施,起到延时的目标。 MOV P0,#66H;让数码管表现“4” 。 LCALL DELAY;挪用延时子措施,起到延时的目标。 MOV P0,#6dH;让数码管表现“5” 。 LCALL DELAY;挪用延时子措施,起到延时的目标。 MOV P0,#7dH;让数码管表现“6” 。 LCALL DELAY;挪用延时子措施,起到延时的目标。 MOV P0,#07H;让数码管表现“7” 。 LCALL DELAY;挪用延时子措施,起到延时的目标。 MOV P0,#7fH;让数码管表现“8” 。 LCALL DELAY;挪用延时子措施,起到延时的目标。 MOV P0,#6fH;让数码管表现“9” 。 LCALL DELAY;挪用延时子措施,起到延时的目标。
MOV R4,#9;送蜂鸣器的报警次数。 LOOP:SETB P2.0;不发声 LCALL DELAY;挪用延时子措施,起到延时的目标。 CLR P2.0;发声。 LCALL DELAY;挪用延时子措施,起到延时的目标。 DJNZ R4,LOOP;发声九次后向下执行。 SETB P2.0;封锁发声 LJMP START;跳转到标号为START处执行,轮回本措施。 DELAY:MOV R7,#200;这是延时子措施。 D1:MOV R6,#200 D2:MOV R5,#200 D3:DJNZ R5,D3 DJNZ R6,D2 DJNZ R7,D1 RET;延时子措施返回指令。 END;竣事伪指令。 九、操作KEIL C51 软件对上面的措施举办调试和编译,发生*.HEX文件,以便用编程器写入单片机芯片中。 十、编程器的行使:用编程器把电脑里天生的*.HEX文件写到芯片中。 十一、产物调试:通上4.5V(三节电池)的电源,可以调试本体系,假如没有错误就可以正常事变了。
(责任编辑:admin) |