|
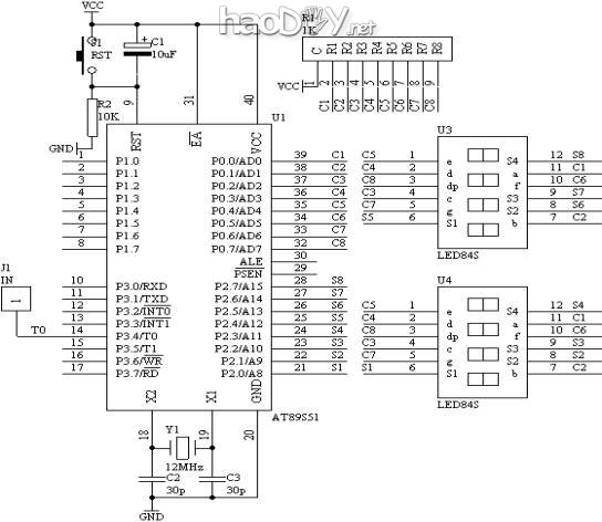
1.尝试使命 操作AT89S51单片机的T0、T1的按时计数器成果,来完成对输入的信号举办频率计数,计数的频率功效通过8位动态数码管表现出来。要求可以或许对0-250KHZ的信号频率举办精确计数,计数偏差不高出±1HZ。 2.电路道理图

图4.31.1 3.体系板上硬件连线 (1).把“单片机体系”地区中的P0.0-P0.7与“动态数码表现”地区中的ABCDEFGH端口用8芯排线毗连。 (2).把“单片机体系”地区中的P2.0-P2.7与“动态数码表现”地区中的S1S2S3S4S5S6S7S8端口用8芯排线毗连。 (3).把“单片机体系”地区中的P3.4(T0)端子用导线毗连到“频率发生器”地区中的WAVE端子上。 4.措施计划内容 (1).按时/计数器T0和T1的事变方法配置,由图可知,T0是事变在计数状态下,对输入的频率信号举办计数,但对事变在计数状态下的T0,最大计数值为fOSC/24,因为fOSC=12MHz,因此:T0的最大计数频率为250KHz。对付频率的观念就是在一秒只数脉冲的个数,即为频率值。以是T1事变在按时状态下,每按时1秒中到,就遏制T0的计数,而从T0的计数单位中读取计数的数值,然后举办数据处理赏罚。送到数码管表现出来。 (2).T1事变在按时状态下,最大按时时刻为65ms,达不到1秒的按时,以是回收按时50ms,共按时20次,即可完成1秒的按时成果。 5.C说话源措施 #include unsigned char code dispbit[]={0xfe,0xfd,0xfb,0xf7,0xef,0xdf,0xbf,0x7f}; unsigned char code dispcode[]={0x3f,0x06,0x5b,0x4f,0x66, 0x6d,0x7d,0x07,0x7f,0x6f,0x00,0x40}; unsigned char dispbuf[8]={0,0,0,0,0,0,10,10}; unsigned char temp[8]; unsigned char dispcount; unsigned char T0count; unsigned char timecount; bit flag; unsigned long x; void main(void) { unsigned char i; TMOD=0x15; TH0=0; TL0=0; TH1=(65536-4000)/256; TL1=(65536-4000)%6; TR1=1; TR0=1; ET0=1; ET1=1; EA=1; while(1) { if(flag==1) { flag=0; x=T0count*65536+TH0*256+TL0; for(i=0;i<8;i++) { temp[i]=0; } i=0; while(x/10) { temp[i]=x; x=x/10; i++; } temp[i]=x; for(i=0;i<6;i++) { dispbuf[i]=temp[i]; } timecount=0; T0count=0; TH0=0; TL0=0; TR0=1; } } } void t0(void) interrupt 1 using 0 { T0count++; } void t1(void) interrupt 3 using 0 { TH1=(65536-4000)/256; TL1=(65536-4000)%6; timecount++; if(timecount==250) { TR0=0; timecount=0; flag=1; } P0=dispcode[dispbuf[dispcount]]; P2=dispbit[dispcount]; dispcount++; if(dispcount==8) { dispcount=0; } }
(责任编辑:admin) |