|
Atmel公司的ATMEGA48是一款高机能、低功耗的8 位AVR微处理赏罚器,行使先辈的RISC 布局,大大都指令的执行时刻为单个时钟周期,以是运算速率更快。两个具有独立预分频器和较量器成果的8 位按时器/ 计数器;一个具有预分频器、较量成果和捕获成果的16 位按时器/ 计数器;具有独立振荡器的及时计数器RTC;六通道PWM;8路10 位ADC(TQFP 与MLF 封装)[ 6路10 位ADC( PDIP 封装)];可编程的串行USART 接口;可事变于主机/ 从机模式的SPI 串行接口;面向字节的两线串行接口;具有独立片内振荡器的可编程看门狗按时器;片内模仿较量器;引脚电平变革可激发间断及叫醒MCU等。
其具有的下面特点无论从编程、自编程和加密等方面都给用户提供了很大的利便。4K字节的体系内可擦写10,000 次的可编程Flash;具有独立锁定位的可选Boot 代码区,通过片上Boot措施实现体系内编程;256字节的擦写100,000 次的EEPROM;512字节的片内SRAM,可以对锁定位举办编程以实现用户措施的加密。 Maxim公司的8脚串行及时时钟日历芯片DS1302,体积小、与单片机接口简朴、事变电压范畴宽(2.5~5.5V)、功耗低、接口轻易、占用CPU I/O口线少、可对时钟芯片备份电池举办涓流充电等特点。以是应用利便,被许多计划者所青睐。

图1 ATMEGA48与DS1302的电路毗连
笔者操作这两种芯片,计划了及时时钟,及时数据收罗和按时节制体系。现就DS1302与ATMEGA48的应用先容给各人。
因为ATMEGA48有可选的内部振荡器,以是只需接通电源即可;DS1302必要一个32768Hz的晶振,和一个备用电池。可以看出布局很简朴(因为本文只先容ATMEGA48和DS1302的应用,以是别的的表现电路和数据收罗电路均省略。)。
ATMEGA48与DS1302的通信措施(ASM)

图2 DS1302的时序

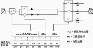
图3 DS1302充电道理图
DS1302的时序如图2。 按照时序图,给出下面的读/写措施: 读出数据子措施如下: ;sbi portd,7 ;假设挪用子措施早年已经保持rst为高 RDS: clr r17 ;将取到的数据生涯到R17中 ldi r24,8 sbi portd,6 ;sclk RDS1: cbi portd,6 ;sclk 降落沿读取数据 nop IN R16,pind ;从CPU I/O读取数据 nop sbi portd,6 ;sclk BST R16,5 ;复制PIND.5到T LSR R17 BLD R17,7 ;复制T到R17.7 dec r24 CPI R24,0 BRNE RDS1 RET
注: ATMEGA48 I/O口有三个寄存器别离是:数据寄存器- PORTx、数据偏向寄存器- DDRx 和端口输入引脚- PINx。I/O作为数据输入行使时,读取数据呼吁应为 IN Rd,PINx,假如行使IN Rd,PORTx则读取到的是I/O口的状态,尽量将DDRx配置成数据输入。出格留意的是,读取软件赋予引脚电和善执行读取指令in 之间至少有一个时钟周期的隔断,文顶用nop隔断。
写入数据(呼吁/地点)子措施如下: ;ldi R17,data ;假设要写入的数据已经存放到R17中 ;sbi portd,7 ;假设挪用子措施早年已经保持rst为高 WDS: ldi r24,8 WDS1: cbi portd,6 ;sclk in r16,portd ;读入D口状态 BST R17,0 ;将R17.0复制到T BLD R16,5 ;将T复制到R16.5 nop out portd,r16 ;写数据到portd(R16.5->portd.5) sbi portd,6 ;sclk lsr r17 dec r24 CPI R24,0 BRNE WDS1 RET
关于呼吁字节的声名。DS1302呼吁字节由8位构成,BIT 0 为1时,读取数据,为0时写入数据。BIT 1-5 为地点。BIT 6 为1时指向31个RAM,为0 时指向时钟寄存器。BIT 7 必需为1,为0时将使DS1302遏制。 DS1302的节制寄存器的第七位是写掩护位,以是在写入数据前应该将其封锁,并在写数据完毕后将其使能。下面是一段完备的配置分的措施。 ...... ldi r19,0x43 ;假设当前时刻为43分,DS1302时刻寄存器生涯的数据为10进制数十六进制存储。 ldi r18,0x82 ;写分 呼吁 ldi r27,0x00 ;x H ldi r26,19 ;x L 在这里行使间接寻址,以是只需改变R19的数据即可。 ...... WRITE_DS1302: cbi portd,7 cbi portd,6 sbi portd,7 ldi r17,0x8e ;节制寄存器en_WRITE rCALL WDS ldi r17,0 ;写操纵前WP=0 rCALL WDS mov r17,r18 ;写秒 分 时 日 月 礼拜 年 地点 rCALL WDS ld r17,x ;写秒 分 时 日 月 礼拜 年(R19中的数据) rCALL WDS cbi portd,7 cbi portd,6 sbi portd,7 ldi r17,0x8e ;节制寄存器un_en_WRITE rCALL WDS ldi r17,0x80 ;写操纵前WP=1 rCALL WDS cbi portd,7 RET 同样,下面给出了一个完备的读取分的措施 ldi r18,0x83 ;读分 呼吁 ldi r27,0x00 ;x H ldi r26,19 ;x L 将取到的数据存储到R19中。 READ_DS1302: cbi portd,7 cbi portd,6 sbi portd,7 mov r17,r18 ;写秒 分 时 日 月 礼拜 年 地点 rCALL WDS rCALL RDS st x,r17 ; 生涯数据到R19 cbi portd,7 RET
整合写和读分的措施,改变R18的内容就可以实现“秒、分、时、日、月、礼拜、年”的读写,写操纵时只需改变R19的内容就可以将新的数据写入,读操纵时直接读取R19的内容即可。也可以通过此措施直接来对31个RAM举办数据读取。
DS1302的充电成果
DS1302的涓流充电成果也长短常利便的,同时又是其很是重要的一个成果,以是简朴先容一下其行使。其道理框图如图3。
DS1302 有一个单独的寄存器节制涓流充电。BIT7:BIT4是涓流充电成果的选择器,只有当它们被配置成1010才气够将其使能。行使DS(BIT3和 BIT2)可以在一个和两个二极管之间选择;行使RS(BIT1和BIT0)可以选择两个电源(Vcc1和Vcc2)之间的电阻,这两个选择器配合行使来辅佐您获得所必要的电流。
结语
通过这一实践,表白应用DS1302在测控体系中的数据记录,其软硬件计划简朴,时刻记录精确。同时因为ATMEGA48的高速率,大数据吞吐,给现实应用带来了很大利便。因为笔者程度有限,仅将应用条记供各人参考。
(责任编辑:admin) |