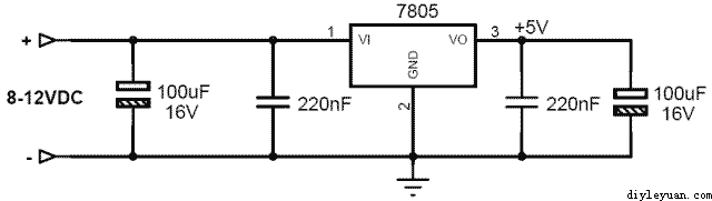
![]() 频率计的电源电路原理图 ![]() 频率计的信号探测原理图 ![]() 频率计的电路原理
我们使用了额外的两个插座。一(18针,2路)PIC16F628微控制器,另一种是(40针,2路)七段显示器。
![]()
频率计的PCB板图
源程序:
//---------------------------------------------
// FREQUENCY COUNTER
// www.circuit-projects.com
// Y.Erol
//---------------------------------------------
#include <pic.h>
#include <delay.c>
__CONFIG(WDTDIS&PWRTEN&LVPDIS&XT);
unsigned char kontrol;
//---------------------------------------------
// CCP1 INTERRUPT
//---------------------------------------------
void interrupt interrupt(void){
TMR1H=0; TMR1L=0;
GIE=0;
(责任编辑:admin) |






















