|
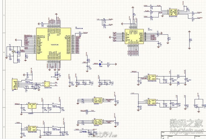
话说距离无奈上次DIY 正好一年时间 http://bbs.mydigit.cn/read.php?tid=311684 今天无奈继续发一个帖子,展示一下笔记本摄像头从输入到成品的过程(打样) 设计部分,
板子发出去打样回来 见下图。
下面是用开好的钢片进行手工刷锡膏。
刷好之后的样子
所用到的元器件
开始摆放元器件
下面是摆放好之后的样品
![]() 接上图,贴好之后的样品 ![]() 放在BGA加热台上面 ![]()
当全部焊接OK 的时候拿下来 ![]() ![]() ![]() 上电。 ![]() 下固件 ![]() 然后就是繁琐的除尘 安装镜头。 成品如下 ![]() 实拍 ![]() ![]() 效果验证 ![]() 能正常成像即可。 剩下的代码调整事宜由方案来解决。 (责任编辑:admin) |









































