最好的电子音响科技diy制作网站

haoDIY_音响电子电脑科技DIY小制作发明

当前位置: 主页 > 电子DIY > led显示/灯光 >

手工制作三层板LED指针钟

时间:2012-09-02 15:34来源:未知 作者:admin 点击:
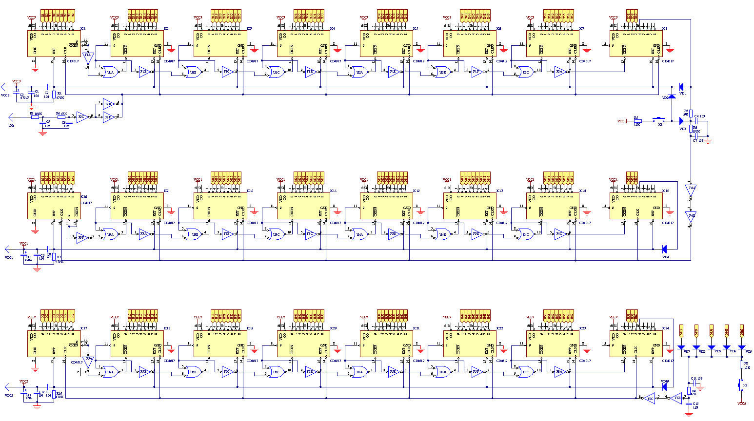
该LED指针钟于2007年10月制作成功! LED指针钟,顾名思义,是用LED排列成圆盘指针状,工作时看似指针在走动的时钟。 电路由秒、分、时、三部分计时电路组成,三部分电路基本相同。CD4017为十进制计数/分频器,其内部由计数器及译码器两部分组成,由译码输出
该LED指针钟于2007年10月制作成功!   

      LED指针钟,顾名思义,是用LED排列成圆盘指针状,工作时看似指针在走动的时钟。
      电路由“秒”、“分”、“时”、三部分计时电路组成,三部分电路基本相同。CD4017为十进制计数/分频器,其内部由计数器及译码器两部分组成,由译码输出实现对脉冲信号的分配,整个输出时序就是Q0、Q1、Q2、…、Q9依次出现与时钟同步的高电平,宽度等于时钟周期。通电时C2R1;C8R7;C13R10对各IC清零,然后开始计数,由于或门、非门的作用,IC1~IC8、IC9~IC16、IC17~IC24是依次轮流计数计时的,计数输出直接驱动LED。通电清零后,各CD4017的Q0=1,Q9~Q1均为0,此时只有IC1的Q9=CKEN=0而处于计数状态,其余的CD4017均处于禁止计数状态,IC1首先开始计数,1Hz秒脉冲经过经过抗干扰和整形缓冲后送到IC1~IC8的CP端,IC1的Q1~Q9依次输出高电平,驱动相应的“秒”针LED发光。当IC1计数第10个脉冲时,Q9=1, CKEN=1,计数被禁止,与此同时,Q9=1经反相器F1A及或门U1A后,IC2的计数控制端CKEN=0而开始计数。同理,IC3计数到Q9=1时,IC4开始计数,……当计数到第60个脉冲时,IC8的10脚Q4=1,经VD1给秒针计数芯片IC1~IC8复位同时经过R2、C11、R6、C7非门整形网络后给“分”计时电路各CD4017的CP端送入1个脉冲,工作原理同“秒”计数电路。因为“时”计时电路必须每12分钟计数1次。故它的计数输入信号分别取自“分”电路的“12”、“24”、“36”、“48”,“0”时刻的5个点的输出,再经过VD5~VD9、R9等整形网络送入IC17~IC24的CP端,IC17~IC24依次计数,工作原理同“秒”计时电路。
K1为校“分”按钮,每按一次“分”针走1次,用时经VD2对“秒”电路清零。K2为校“时”按钮,每按一次,“时”针走一次。调校电路时应先校“分”在校“时”。

LED发光二极管的布局如下图所示:

手工制作三层板LED指针钟

电路原理图控制部分如下:

手工制作三层板LED指针钟

画了PCB板,原来Protel自动布线效率真的有点低,每次都得花我1个多小时自动布线,睡一觉醒来看到布线并不满意,唉~ 重新布!最后还是得自己修改。

手工制作三层板LED指针钟

画完PCB,禁不住要看看3D效果了,呵呵,还是令人兴奋的!

手工制作三层板LED指针钟

该做板子了,有点大啊,以后我都不敢做这样的PCB了。那天晚上通宵焊接,打算把元件焊完的,谁知道仅仅把三层板的过孔焊接完毕,也值得高兴了,呵呵。有一点郁闷了一下,在同一个公司不同时间买同一元件,到的货元件的样子都不一样,看看下面的贴片LED就知道了!

手工制作三层板LED指针钟
背面是控制芯片了,O(∩_∩)O哈哈~,排列还是挺好的呀!
手工制作三层板LED指针钟
贴片的LED尺寸还是大了,不能构成指针的相交角。勉强啦!!
手工制作三层板LED指针钟

手工制作三层板LED指针钟
4四位单片机led数字数码电子钟时钟 电子diy制作 pcb套件散件成品
¥2.50

(责任编辑:admin)
织梦二维码生成器
顶一下
(0)
0%
踩一下
(0)
0%
------分隔线----------------------------
发表评论
请自觉遵守互联网相关的政策法规,严禁发布色情、暴力、反动的言论。
评价:
表情:
用户名: 验证码:点击我更换图片
栏目列表
推荐内容