|
网上看到很多的Persistence Of Vision LED,特别是国外网站,POV LED做得相当漂亮,所以自己心血来潮,用电脑电源风扇制作了一个,很显然,不尽人意!
主要是如何给旋转的电路供电问题,设备不足,使用了一块铝板,一个电刷在铝板上转动,转了一会儿后接触处就出现黑渣,导致接触不良,失败! 原理和程序是相当简单,单片机就接LED即可。
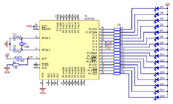
![]() 做过LED点阵的都会很容易的理解它的原理和程序,可以把它看成是列扫描的点阵编写程序,字码通过行依次送出即可。参考程序如下:#include <reg52.h> #define uint unsigned int #define uchar unsigned char uchar code Happy[]={ 0x7F,0xBF,0xBF,0xBF,0xDF,0xDF,0xE7,0xDF,0xF0,0xEF,0xF5,0xF3,0xF7,0xFC,0x17,0xFF, 0xF7,0xFC,0xF7,0xF3,0xB7,0xEF,0xD7,0xCF,0xE7,0x9F,0xF7,0xDF,0xFF,0xDF,0xFF,0xFF, //欠0 0xFF,0xFF,0x7F,0xFF,0x7F,0xFF,0x7F,0xFF,0x7F,0xFF,0x7F,0xFF,0x7F,0xFF,0x7F,0xFF, 0x7F,0xFF,0x7F,0xFF,0x7F,0xFF,0x7F,0xFF,0x7F,0xFF,0x3F,0xFF,0x7F,0xFF,0xFF,0xFF, //一1 0xFF,0xFF,0x7F,0xFF,0x7F,0xFF,0xBF,0xFF,0xDF,0xFF,0xEF,0xFF,0xF3,0xFF,0x1C,0x80, 0xFB,0xFF,0xF7,0xFF,0xEF,0xFF,0xDF,0xFF,0x9F,0xFF,0x3F,0xFF,0xBF,0xFF,0xFF,0xFF, //个2 0xFF,0xFF,0x03,0xF8,0xFB,0xFD,0xFB,0xFD,0x03,0xFC,0xBF,0xB7,0xCF,0xBB,0xF0,0xDC, 0x35,0xEF,0xC7,0xF3,0xF7,0xFC,0x07,0xBF,0xF7,0x7F,0xF7,0x9F,0x07,0xE0,0xFF,0xFF, //吻3 0xFF,0xFF,0xAF,0xFF,0xB0,0xC0,0xB5,0xFE,0xB7,0xFE,0x00,0x00,0xB7,0xDE,0xB7,0x9E, 0xB7,0xC0,0xFF,0xFF,0x03,0xF0,0xFF,0xBF,0xFF,0x7F,0x00,0x80,0xFF,0xFF,0xFF,0xFF, //制4 0x7F,0xFF,0xBF,0xFF,0xDF,0xFF,0x07,0x00,0xF8,0xFF,0xDD,0xFF,0xE7,0xFF,0xF3,0xFF, 0x04,0x00,0xB7,0xFB,0xB7,0xFB,0xB7,0xFB,0x97,0xFB,0xB7,0xF9,0xF7,0xFB,0xFF,0xFF, //作5 0xFF,0xFF,0xFF,0xFF,0xFF,0xFF,0xFF,0xFF,0xFF,0xFF,0xFF,0xFF,0xFF,0xFF,0xFF,0xFF, 0xFF,0xFF,0xFF,0xFF,0xFF,0xFF,0xFF,0xFF,0xFF,0xFF,0xFF,0xFF,0xFF,0xFF,0xFF,0xFF,0xFF,0xFF,0xFF,0xFF,0xFF,0xFF,0xFF,0xFF,0xFF,0xFF,0xFF,0xFF,0xFF,0xFF,0xFF,0xFF, 0xFF,0xFF,0xFF,0xFF,0xFF,0xFF,0xFF,0xFF,0xFF,0xFF,0xFF,0xFF,0xFF,0xFF,0xFF,0xFF,}; void DelayMs(uint T) { uchar X, Y; for(;T>0;T--) for(X=2; X>0;X--) for(Y=100;Y>0;Y--) {;} } void main(void) { uchar j; while(1) { for(j=0;j<128;j++) { P1=Happy[ 2 * j ]; P3=Happy[ 2 * j + 1 ]; DelayMs(2); } } } 电路板上面乱七八糟跳线插针等,下载程序用的,调试好了可以清理掉。以后有时间的话再改进吧,呵呵 ![]()
(责任编辑:admin) |




(责任编辑:admin)

















