最好的电子音响科技diy制作网站

haoDIY_音响电子电脑科技DIY小制作发明

当前位置: 主页 > 音响DIY > 功放DIY > 后级DIY >

两种在日本 第三届放大器制作比赛 获奖的音频功率放大器

时间:2012-08-22 16:25来源:未知 作者:admin 点击:
本文介绍的是两种获奖的音频功率放大器.它们在日本《音频电路》杂志编辑部和《MJ》(无线与实验)杂志编辑部共同主办的第三届放大器制作比赛中分别获得晶体管放大器制作的第一名和第二名。至于为什么会获奖,欢迎读者来信发表读后感和做后感。 A)村西朗氏制
本文介绍的是两种获奖的音频功率放大器.它们在日本《音频电路》杂志编辑部和《MJ》(无线与实验)杂志编辑部共同主办的“第三届放大器制作比赛”中分别获得晶体管放大器制作的第一名和第二名。至于为什么会获奖,欢迎读者来信发表“读后感”和“做后感”。
    A)村西朗氏制作的MOS场效应管三十瓦功率放大器(获第一名)(图1)
    

两种在日本 第三届放大器制作比赛 获奖的音频功率放大器



    输出级使用MOS场效应管、电路对称。输出功率在八欧姆负载上为三十瓦。
    元件表:
    Q1 2SK240BL
    Q2 2SJ75BL
    Q3、4、15、18、19 2SC1845E
    Q5、6、20、21 2SA992E
    Q7 2SA1360y
    Q8 2SC3423y
    Q9、16 2SK213
    Q10、17 2SJ76
    Q11、13 2SK134
    Q12、14 2 SJ49
    Q22 2SC815L
    Q23 2SA539L
    Q24、25、26、27、28 2SC945L
    Q27 2SC495Y
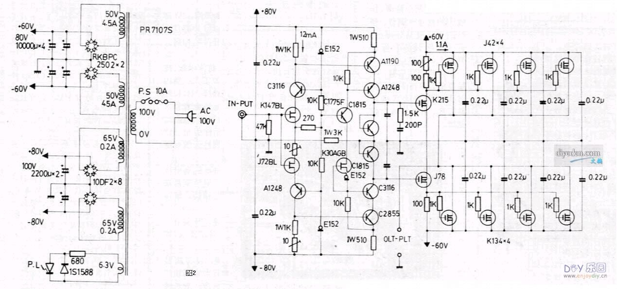
    B)上条信一氏制作的MOS场效应管一百五十瓦功率放大器(获第二名)(图2)。
    

两种在日本 第三届放大器制作比赛 获奖的音频功率放大器



    电阻的功率为四分一瓦。
    电容器的额定电压为一百伏。
    打有* 号的电容为杂散电容约为四十pF。
    2SK30AGR应选用Vdg>85V的管子。 (责任编辑:admin)
织梦二维码生成器
顶一下
(2)
100%
踩一下
(0)
0%
相关文章
------分隔线----------------------------
发表评论
请自觉遵守互联网相关的政策法规,严禁发布色情、暴力、反动的言论。
评价:
表情:
用户名: 验证码:点击我更换图片
栏目列表
推荐内容