采用STK3048 和STK6153的功放实用电路
时间:2012-08-25 09:02来源:未知 作者:admin 点击:
次
本文介绍一款功放厚膜集成电路STK3048和STK6153,其放音音质令人刮目,性价比极高,特别适合于初学者和偏爱集成功放的朋友们制作。 【电路原理】 (1)用STK3048直接推动互补大功率管STK3048的使用电压高、动态宽,差分输入管配对精确,其共发射极端与输出集
本文介绍一款功放厚膜集成电路STK3048和STK6153,其放音音质令人刮目,性价比极高,特别适合于初学者和偏爱集成功放的朋友们制作。
【电路原理】
(1)用STK3048直接推动互补大功率管STK3048的使用电压高、动态宽,差分输入管配对精确,其共发射极端与输出集电极端均采用恒流源负载,故失真低,增益高,对电源纹波抑制能力强。用STK3048推动大功率管不但性能优越而且省去了许多配对与调试,简单可靠。

如图3-38是用STK3048推动功率管2N3055和MJ2955的电路图,线路简洁到不能再少一个元件。R1和R2可以直接使用成品板上的。通电后如果管子不烫手;也无其它异常即可空载调整RP,使R1、R2上的压降为10~13mV,这样VT1和VT2的静态电流为40~50mA,工作于甲乙类状态。焊接时可将退耦电容与集成电路第(8)脚焊在一起,其它的入“地”端都接于此。中点电压如果大于10mV,则可接入伺服电路(本文实测为30mV)。调好后即可驳接扬声器工作。试听时感觉与一些中挡机相比毫不逊色。

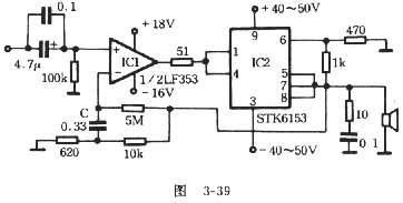
(2)用LF353推动STK6153
STK6153采用全互补对称结构,有速度高、噪音低、功率大等优点,由于内部使用恒流源偏置,故状态稳定。其外露散热器已与内电路电气绝缘,使用方便。电路如图3-39所示。适当改变电阻阻值可以调整电路的增益。小容量隔直电容选用优质CBB电容能改善音质。
本电路无须调试。试听时感觉高音出奇的鲜亮,甚至觉得是否有点夸张,但非常剔透,毫无勉强感。主观评价比TDA1514的LM3886的高音分明,低音的弹跳感和质感也相当强,听感非常好。
(责任编辑:admin) |
织梦二维码生成器
------分隔线----------------------------