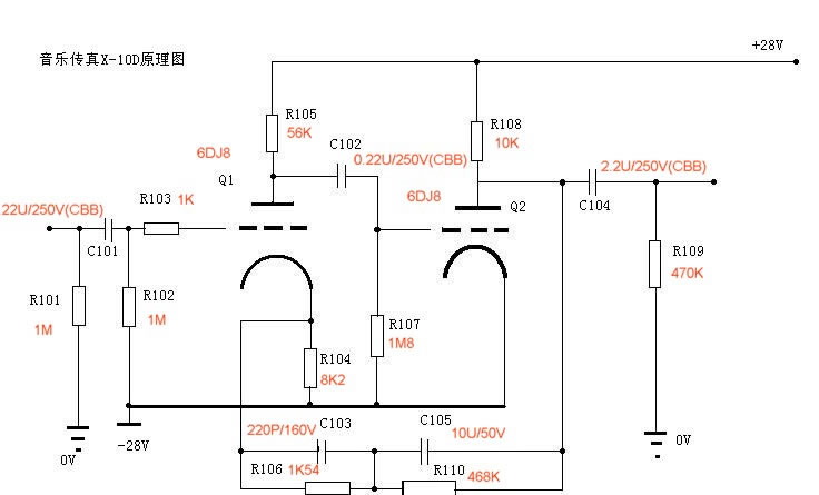
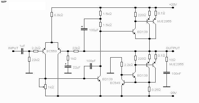
| 第一次学作胆机是去年的秋天,经过一个来月的苦战,第一次开声时真的晕了,原因是我把音量打到最大音箱里出来的声音才和苍蝇的音量一样大.这就是我的6P1小单端带给我的惊喜(其实一点都不喜).在我的浴血奋战之后(应是浴汗奋战),给我的回报是至今还在服役.有了第一次的经验,第二台6V6小单端年底就出炉了,听感要比6P1强很多,哈以后就听它啦,谁知好景不长,听来听去对二房就不满了,憋足了劲儿想娶三房!哼,人类在发展发烧要进步,我也得弄个混血儿出来.三儿出啥声呢......?不罗嗦了下次再坦白,看看我的三房还行不? 看看混血儿的内脏吧,晚上再给大家交代........ 当初想做混血儿源于两个理由一;前级出味儿,后级出劲儿,二;自己也听听胆石之声,顺便练练手艺.下一步选电路,前级选了马兰士7.马帝斯.和田冒.音乐传真几种电路,据说英国声好,电路也简洁,所以英国的音乐传真当选.见图.不过电源由正负28V改为单85V供电.在此我要感谢大庆老段等几位大师的热心帮助,不然凭我这个发烧初哥是改不了电路的.后级选了场效应管单端.晶体管单端.和晶体管推挽几种电路,场效应管单端是仿胆味的,有了胆前级,就不用它了.晶体管推挽有交越失真,拿下.晶体管单端入选.见图.前后级都符合简洁至上的发烧原则,所以便有了下一步----备料....... 甲类后级,功率管已改为MJ4502 我贴的图是原版,实际电路用料我都动过了,前级6DJ8我改为6N11,输入端加了100K的电位器,6.3V灯丝还用交流(个人认为是为了胆味浓郁),并把图中的地和负28V都改为地端,整体用料一般但实际效果不错.后级输入端用了威马4.7UF的偶和电容,功率管改用一只MJ4502,没用双管并联,在实际调试中,射级电阻用两只0.47欧并联,作为衡流源的集电级电阻改为0.51欧,实测功率管静态电流2.7A,为了调好中点电压1K可调电阻用了多圈微调,由于发热量大,在整个自制后级板的下面(图中左边)就只装了四个功率管的散热器,而且又在后边加了一只小风扇,效果不错,就是有点象专业机....... 前级加了RC滤波器,噪音离音箱20CM已听不到了,下一步准备找个好阻流圈改为LC滤波器.相信噪音会进一步降低!还有一个改进的地方,就是给风扇加了自动温控电路,当散热器温升过高时,风扇自动开启,反之关闭,哈还挺好用! 由于后级耗电量太大,大水塘在关机瞬间就干了,看样容量还是偏小,所以又加了一对10000UF的,声音柔润了不少.机壳和上次实验机一样还是用电脑机箱,经济实惠还好用,只是面板用了一块2MM的不锈钢板,费了我一天半的时间才做好拉丝处理和打孔,虽累但心甜,呵呵.下一步该轮到耳朵享受啦,褒机...... 改进版仿英国音乐传真X-10D 胆缓冲成品机(责任编辑:admin) | 


































