最好的电子音响科技diy制作网站

haoDIY_音响电子电脑科技DIY小制作发明

当前位置: 主页 > 音响DIY > 功放DIY > 后级DIY >

MBL6010前级+TDA1514A后级" 合并功放

时间:2012-09-13 16:01来源:未知 作者:admin 点击:
前级2声道2个板子 后级2声道2个板子 一共4个板子 照片 下载 (120.79 KB) 2010-5-14 17:01 下载 (134.35 KB) 2010-5-14 17:01 下载 (125.72 KB) 2010-5-14 17:01 下载 (130.33 KB) 2010-5-14 17:01 下载 (149.76 KB) 2010-5-14 17:01 下载 (130.91 KB) 2010-5-
前级  2声道  2个板子  
后级  2声道  2个板子
一共4个板子  
照片
MBL6010前级+TDA1514A后级" 合并功放
MBL6010前级+TDA1514A后级" 合并功放
MBL6010前级+TDA1514A后级" 合并功放
MBL6010前级+TDA1514A后级" 合并功放
MBL6010前级+TDA1514A后级" 合并功放
MBL6010前级+TDA1514A后级" 合并功放
MBL6010前级+TDA1514A后级" 合并功放

前后级一体供电  供电用的是四线双18V箭猪牛  双桥整流   分出一个小电流经7815和7915稳压后供给前级
MBL6010前级+TDA1514A后级" 合并功放 

mbl6010前级线路
MBL6010前级+TDA1514A后级" 合并功放



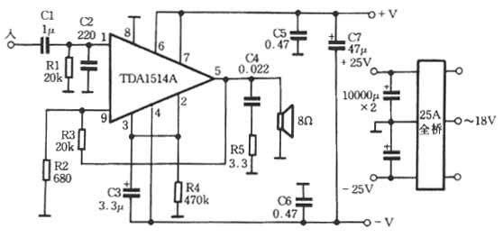
TDA1514是飞利浦公司专为适应数码音响对功放的高保真要求而设计的音响专用电路,为9脚单声道功放集成电路,采用单列封装结构。由于采用了先进的集成技术,TDA1514具有输出功率大,失真小,频响宽,性能可靠稳定等显著特点。

    TDA1514内部设有过热保护,具有开关机噪音抑制功能,静噪时间由外部电路决定。采用TDA1514做成的功放板可达到以下性能:输入灵敏度800mV;当负载为8Ω时,输出功率可达40W(工作电压为±27V),当负载为4Ω时,输出功率可达50W(工作电压为±23V);整机的频响15-25KHz,谐波失真小于0.003%;信噪比大于80dB。

    1脚是信号源的同相输入端,1UF的电容是输入端的耦合隔直电容,22K电阻是偏置电阻,有稳定输出端中点电位的作用,电路的输入阻抗就由此电阻决定,本电路的输入阻抗就是22KΩ。220P电容是高频旁路电容,滤掉前级电路混进的高频干扰;
    2脚是放大器的过流保护调整脚,接一470K电阻的作用是在电路过流保护作用不失效的前提下,使电路的动态范围进一步加大;
    3脚是开机时间延时调整脚,330K的电阻和10UF的电解电容组成延时电路,改变10UF电解电容的大小就可调整延时时间的长短;
    4脚负电源的输入端;
    5脚功率输出端;其中的3.3Ω电阻和104电容组成补偿电路,改善放大器的音质;
    6脚为正电源的输入端;
    7脚为自举电容的连接脚,为了保证放大器的高保真音质,本电路没有采用自举电路,直接将7脚与电源的正极相连;
    8脚为集成电路的接地端;
    9脚为放大器的反相输入端,其中的22K电阻与1K电阻比值决定整个放大电路的增益,增益不能选得过大,否则容易引入噪音,22UF电解电容为交流旁路电容,稳定放大器的中点电位。

MBL6010前级+TDA1514A后级" 合并功放
(责任编辑:admin)
织梦二维码生成器
顶一下
(0)
0%
踩一下
(0)
0%
------分隔线----------------------------
发表评论
请自觉遵守互联网相关的政策法规,严禁发布色情、暴力、反动的言论。
评价:
表情:
用户名: 验证码:点击我更换图片
栏目列表
推荐内容