最好的电子音响科技diy制作网站

haoDIY_音响电子电脑科技DIY小制作发明

当前位置: 主页 > 音响DIY > 功放DIY > 后级DIY >

俺的金嗓子E210的功放完工啦。。。。多图

时间:2012-09-15 21:32来源:hifidiy.net论坛 作者:avaya_alex 点击:
金嗓子的板子也装好了 没有用单交流直接供电压放大级的点,发现这样接噪音总是比较大,没有仪器和多余的小管用来配对。所以直接用整流后的直流电用优质网线的细铜线在PCB板子后面飞线,那个0.01U的位置直接短接,这样出来的声音区别不大,但是噪音却可以做到
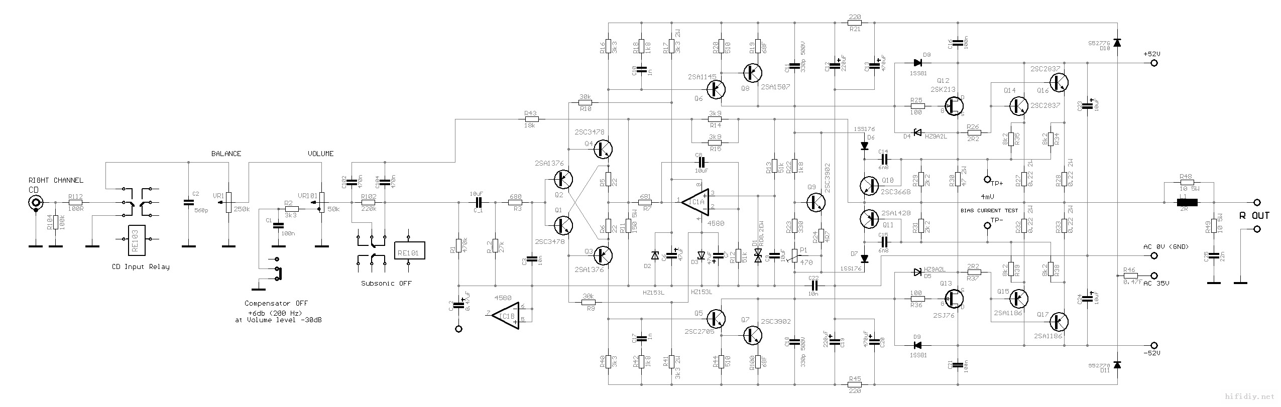
俺的金嗓子E210的功放完工啦。。。。多图



金嗓子的板子也装好了

没有用单交流直接供电压放大级的点,发现这样接噪音总是比较大,没有仪器和多余的小管用来配对。  所以直接用整流后的直流电用优质网线的细铜线在PCB板子后面飞线,那个0.01U的位置直接短接,这样出来的声音区别不大,但是噪音却可以做到5CM不可闻,哈哈。。。也许和原厂的设计理念不同了,但是俺的耳朵就这水平,已经感觉非常好了。。。

用的整流桥是25A的2个,用的滤波电容是63V 1万U的NOVER 6个,板子上面的套件的1000U的低级红宝石换成NOVER的根据原机要求的470U和220U,

牛是标称300W的93年的全铜线牛,三线双34V,根据滤波板子改造为4线双34V,现在这样的牛至少标称500W了,呵呵。。

俺的金嗓子E210的功放完工啦。。。。多图
俺的金嗓子E210的功放完工啦。。。。多图


俺的金嗓子E210的功放完工啦。。。。多图

俺的金嗓子E210的功放完工啦。。。。多图

俺的金嗓子E210的功放完工啦。。。。多图

俺的金嗓子E210的功放完工啦。。。。多图

俺的金嗓子E210的功放完工啦。。。。多图


没有用单交流直接供电压放大级的点,发现这样接噪音总是比较大,没有仪器和多余的小管用来配对。  所以直接用整流后的直流电用优质网线的细铜线在PCB板子后面飞线,那个0.01U的位置直接短接,这样出来的声音区别不大,但是噪音却可以做到5CM不可闻,哈哈。。。也许和原厂的设计理念不同了,但是俺的耳朵就这水平,已经感觉非常好了。。。

用的整流桥是25A的2个,用的滤波电容是63V 1万U的NOVER 6个,板子上面的套件的1000U的低级红宝石换成NOVER的根据原机要求的470U和220U,,

牛是标称300W的93年的全铜线牛,三线双34V,根据滤波板子改造为4线双34V,现在这样的牛至少标称500W了,呵呵。。



兄弟看的好仔细,其实“仔细看649,669接触面,有的金属部分已经跟圆孔有相切的部分”这个你就没有看仔细了,我上所有的螺丝的时候下面都上了一个小垫片,你看到的所谓的相切的部分其实是垫片。。。。649669这样的中小功率管散热部分其实很小的,管子的洞眼有很大的面积是本来就是绝缘的,黑胶布包着螺丝在串过去其实很没有必要。。。。



俺的金嗓子E210的功放完工啦。。。。多图
(责任编辑:admin)
织梦二维码生成器
顶一下
(3)
100%
踩一下
(0)
0%
------分隔线----------------------------
发表评论
请自觉遵守互联网相关的政策法规,严禁发布色情、暴力、反动的言论。
评价:
表情:
用户名: 验证码:点击我更换图片
栏目列表
推荐内容