|
从小学4年级就开始鼓捣电路之类,鼓捣到现在,都工作6年了也没鼓捣出啥名堂,人虽然不算老吧。。。。。但一直处于菜鸟状态。
来论坛三年了,在与坛友们的交流中学到了很多知识与经验,进步比过去这十几年要快。不过实话实说,个人对电路结构、调试之类了解的仍然不是很透彻,只懂些基础的皮毛。
从厚膜玩到集成IC,目前的水平也只是刚刚能照图做响。至于调音测试之类,由于不是我的本职工作,且有很多其它爱好,时间、精力、金钱上都不太可能做得很完善。
分立元件对我来说有很大的诱惑,小功率的应该可以,但那种大动干戈的牛机,如果以现在的工作和生活压力,恐怕真是难以折腾的起了。
看到本次大赛的主题是"功放DIY”,而刚好今年又有朋友要我帮着做一台接电脑用的桌面功放,而且老婆大人也整天吵吵要一台不裸奔的功放用,就一起做了两套。
我想今年要是不参赛,下次就不知道是什么主题了,干脆,斗胆参合一下!高手们估计是都看腻了什么3886,7293之流,不过,或许对刚接触音响的新手们有一定的帮助吧。
这也是我发此贴的意义:不以事小而不为,相互交流,共同进步!
这两套功放是从今年5月份就开始准备了,陆陆续续的弄,目前有一套已接近完工。照片还是按进度陆续放出。
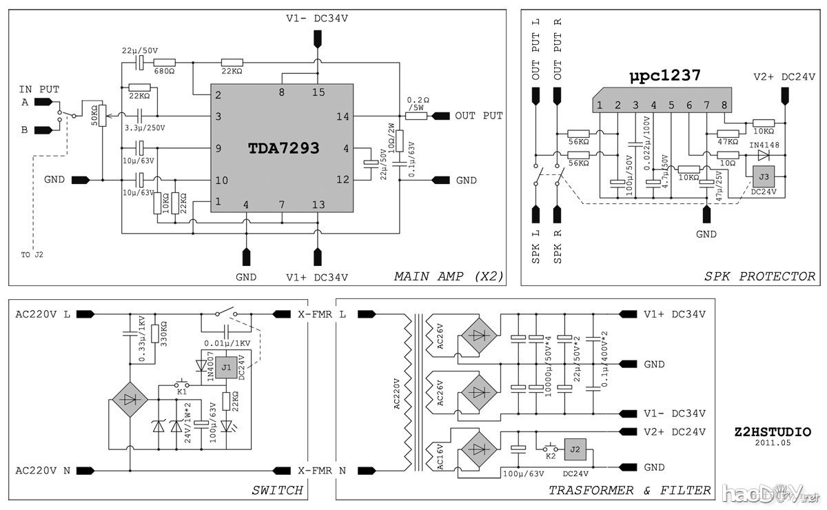
既然定位在桌面功放,接电脑用,必然也就是推一推书架箱,功率要求也不是很大,而且发热量要控制得住。之前已经做过一台四声道7294的半成品(犯懒仍然裸奔中),
还帮人做过一个拼装的7293,对这个IC的使用有一定的把握。所以这次还用它:要求机器体积小巧,每声道单块IC,选择适当的电压供电,在在音质与发热量之间找个平衡点。
先从电路开始。
01.

没有太多特别的地方,基本就是官方电路,只是输入耦合个人仍然认为2-3uF比较好听。图中所有元件参数都是最终实际参数。
另外朋友要求有两组输入可以切换,所以加了个信号切换继电器。电源部分的开关设计在此先感谢“低音巴松 ”、“shinyue ”、SHILKA “等坛友帮助出主意。
02.

有了完整电路图,就该布置元件和走线了,抢了老婆的pad感受一下“高科技”。。。。
03.

机箱在网上买了俩,具体什么型号也搞不懂,反正样子比较朴素,我很喜欢。不过想要放大点的牛而不想把电位器的线弄得很长,只好设计电位器延长方案了。
04.

仍然不会专门的电路绘制软件,还用老本行solidworks吧。。。先测量所有元件的外形和引脚尺寸,然后布网格,画PCB图。
05.

局部。就两块,而且没经过测试,就不开板什么的了,浪费。仍然用单面感光板来做,IC引脚处有另外一小块反过来做集中跳线,方便布线。
06.

机箱也是实际测量建模,所以各元件的装配关系很明了,也方便后期加工。唯一需要定制的就是牛和两个IC的导热板。
散热完全靠机箱本身,这种是第一次尝试。(后来测试问题不大)
07.

背面。
08.

细节。布局很紧凑,比较担心的问题就是散热,还有牛会产生干扰。
(责任编辑:admin) |