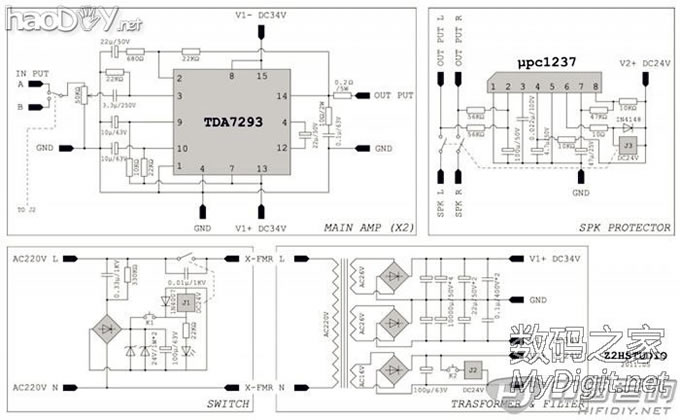
| 笔者从小学4年级就开始鼓捣电路之类,直到现在,人虽然不算老吧,但一直处于菜鸟状态。来hifidiy论坛三年,在交流中学到了很多经验,不过对电路结构、调试之类了解的仍然不是很透彻,略懂皮毛。 从厚膜玩到集成IC,刚刚达到照图做能响的水平。至于调音测试之类,时间、精力、金钱上都不太可能做得很完善。分立元件对我来说诱惑很大,小功率的应该可以,但那种大动干戈的牛机,恐怕真是难以折腾了。看到本次大赛的主题是“功放DIY”,刚好又有朋友要我帮着做一台接电脑用的桌面功放,老婆大人也整天吵吵要一台不裸奔的功放,于是就一起做了两套。   基本就是官方电路,只是输入耦合个人认为2-3uF比较好听。图中所有元件参数都是最终实际参数。朋友要求有两组输入可以切换,所以加了个信号切换继电器。电源部分的开关设计在此先感谢“低音巴松 ”、“shinyue ”、SHILKA “等坛友帮助出主意。 高手们估计是都看腻了什么3886、7293之流,不过,对刚接触音响的新手们来说,这篇制作应该会有一定的帮助!既然定位在桌面功放,接电脑用,必然也就是推一推书架箱,功率要求也不是很大,而且发热量要控制得住。我对7293IC的使用有一定的把握,所以这次就用它啦。 从电路开始。有了完整电路图,就该布置元件和走线了。   机箱在网上买了俩,外观比较朴素。想要放大点的牛又不想把电位器的线弄得很长,只好设计电位器延长方案。   先测量所有元件的外形和引脚尺寸,然后布网格,画PCB图。   打算继续用单面感光板来做,IC引脚处有另外一小块反过来做集中跳线,方便布线。机箱也是实际测量建模,所以各元件的装配关系很明了,也方便后期加工。唯一需要定制的就是牛和两个IC的导热板。散热完全靠机箱本身,这种是第一次尝试。(后来测试问题不大)     细节。布局很紧凑,比较担心的问题就是散热,还有牛会产生干扰。     完成后基本外观,很朴素。最后出来的PCB,一点接地,单面板难度较大,最后基本上搞成总线式接地了。   这里再唠叨一遍感光板的用法给新手参考: 拿激光打印机打印胶片(打了N多张,有的板子反了,有的字反了,有的打花了),选出两套,要求叠在一起保证基本不透光。放在两个荧光台灯下曝光15分钟。(曝光时间和光强、距离,甚至感光板生产日期都有关系,使用前最好先裁一小块测试一下)   由于上次的感光板整个用洗板水洗过,把感光膜都洗掉了,又不太会涂绿油,结果铜箔不久就发暗氧化了。这次动脑筋,研究了个新方法进行二次曝光,做出焊盘。(不做焊盘的话,感光膜有一定的阻焊作用,不好焊) 方法很简单:第一次晒好电路后,蚀刻的时候避光进行,这样蚀刻完感光膜仍然有效。然后再次用画好的焊盘胶片来曝光,最后进显影液显影就OK了!   小板曝光中。两块压板就是这次要用的机箱面板。   玻璃板一定要压实,不然线路会模糊。   快好的时候会看到颜色会从淡绿色变成蓝绿色。(过曝也不好,线路上会有很多麻点,除非你的胶片打印的足够黑)   晒小板焊盘。蚀刻用的是“蓝色环保蚀刻剂”常温下腐蚀了将近1小时。(试过增加浓度,结果铜箔变成花花绿绿的,而且不再继续反映,应该是钝化了)   最后完成的板子。   由于感光膜的保护,不涂绿油也不会担心氧化问题了。(不过要注意,感光膜比较薄,不耐划,制作中要小心保护)   电路板做好后,就要进行打孔了,老婆非要试试,结果,有几个眼打偏了...   打完孔,裁完边。掏孔用的是叟弓,也叫曲线锯。直边直接用的钢锯。最后用小锉刀将边缘打磨光滑,并且倒角。   可以看出,先做的那块大板子的颜色已经变的更蓝了。   陆陆续续往上焊零件。元件基本都是网购的,很多都是二手拆机件。威玛、飞利浦应该都是真的,比较怀疑的是ELNA。电阻就是普通国产金属膜。右边用0.5mm的铜皮做了地线的跳线,从继电器肚皮底下穿过去。   小元件差不多都焊完了。     准备上主滤波。一般常规的是30*50mm,机箱装不下。所以费劲找了体积比较特别的红宝石,30*40mm。外观上看,应该是真的吧,新一批顶部没有绝缘帽,直接一K形口。 高手们估计是都看腻了什么3886、7293之流,不过,对刚接触音响的新手们来说,这篇制作应该会有一定的帮助!  既然定位在桌面功放,接电脑用,必然也就是推一推书架箱,功率要求也不是很大,而且发热量要控制得住。我对7293IC的使用有一定的把握,所以这次就用它啦。 电路采用的基本就是官方电路,只是输入耦合个人认为2-3uF比较好听。朋友要求有两组输入可以切换,所以加了个信号切换继电器。 前面说过了,我的焊工烂,又不能用洗板水。【查看前文】(后来发现,焊点不圆滑和焊锡质量有很大关系,前一卷焊锡用完了,换了另一个牌子,感觉超级好用,流动性和光泽度都不错)  期间单独测试了喇叭保护电路,工作正常,3秒吸合。但整机测试时发现有极大的交流嗡声,后来发现是保护电路的地线走的不合理:最开始是从整流出来,正电源从板子侧边走到pc1237,负电源是用跳线直接连在放大电路的地线上,这样形成了一个大的电流环。不得已,将负电源改为借用原来给信号切换继电器供电的线路,从侧边走,这下噪音全无。 由于PCB与导热块之间有点间隙,用0.8的铜板做了个匀热。铜板用钢锯裁好尺寸,用1000号水砂纸加水打磨。然后在电路板蚀刻液里稍稍腐蚀了1分钟,出来就变成这种沙金质感了。   导热块是定制的,板厚10mm。块子上下两端有些加工刀痕,用钢锉修平后用水砂在平整桌面上抛光。IC安装螺孔是与PCB高度对好,然后画点,用2.5mm钻头打孔,然后M3丝锥攻丝。螺口边按常规方法,用大号钻头轻轻转几下倒角。 由于买的是高仿CMC水晶端子,安装孔径比机箱预留的要大1mm,而且还带防转豁口,就用小半圆锉和平锉把孔形修了一下。    第一次试装,看端子和PCB的位置是否合适。 
	#p#分页标题#e#  原本的喇叭端子尾端的焊接用半圆口被我锯掉了,这才发现,原来所谓的纯铜端子其实是黄铜镀红铜。不知道正品CMC是不是也这样,不过,端子做工还不错,对得起价格。  这是喇叭端子和PCB的连接片,画好形状,用剪刀剪0.5mm铜片做出来的。当然,剪完铜片会卷曲,用锤子敲平,然后用锉刀修下边口毛刺,最后还是扔进蚀刻液里搞成沙金的。  最后焊接在PCB上,正极裸露较长的部分用热缩管做绝缘处理。  下面开始试装机了!用模型上设计的空位出CAD图,然后打印,贴在机箱底板上钻孔。我是先用锤子+丝锥,在孔正中心点个坑。然后用2mm钻头打孔,在用2.5mm钻头扩孔。  由于铝件比较软,拿手钻直接用2.5mm钻孔容易抖动造成孔径偏大,所以用M3丝锥攻丝。手工攻丝时,可以在孔内点一点点食用油帮助润滑。  机箱底板是2mm厚,能买到的六角铜柱螺丝,最短也有5mm。而由于机箱内部高度问题,又不能加垫片垫高。所以套上个螺母,差不多2mm,然后把多余的锯掉。断口用锉打平,把螺母退出来的时候可以当临时板牙,给受损变形的螺纹做修复。最后再稍微修下毛刺即可。  上PCB安装铜柱。多头组合改锥,这个东东我想喜欢折腾的都应该有一套吧~加了点螺纹紧固胶,防止拆装PCB时由于上面螺丝锁的太紧,松开时带动铜柱一起转。  上好铜柱,机箱底部很平整,手摸很光滑 第二次试装,看PCB与铜柱、喇叭端子与连接片之间是否能对齐。  PCB有个别孔稍微有点偏差,用小圆锉稍微修一下解决。安装螺丝用M3内六角,垫了电木垫片。电木片比较有弹性,可以锁的比较紧。   喇叭端子与连接片。上面两个正极端子用2mm的ABS塑料板做了两个垫片,这样上下两组的螺母就不在一个平面上了,方便在狭小的空间里把螺母上紧。  这是第一版设计的电源开关电路。(有的朋友会问为什么搞这么复杂?其实我也想简单,可惜为了放下更大的牛,把开关的位置给占了)第一版用的是一个线圈为AC230V的继电器,想直接用小开关来控制。后来还特意发帖向论坛求助是否有问题,得到了大家的很多帮助。   图左:给手动音源切换那一套用的,图右加了继电器控制开关,高压部分用高温胶带贴了一下。 面板安装孔。还是用设计图贴在上面,定位。钻孔时先钻个坑,然后把纸揭掉继续钻。面板是8mm厚,慢慢钻到6-7mm深,不能着急,一下钻透了就惨了。(如果有台钻就看刻度走,准确度高)  盲孔攻丝,最好用这种3只一套的。头头锥先攻出引导纹路,在用第三锥把最里面的螺纹攻出来。这样有效螺纹会更深。(一般不用二锥,直接用三锥。仔细看锥头的形状区别)  这回好,忘了买8mm铜柱,只好用螺母垫成7mm的,也还可以。上好紧固胶。  另一套的面板。多开了一个按钮的孔,而且还得把开关卧进去,就钻成这样了。(孔内壁没法发黑处理,就用黑马克笔涂一下,虽然颜色有点区别,但也还可以)  齿轮箱装好,转动的手感还不错。  前后面板的标识文字,在AI里进行设计。把面板上原来的丝印文字用稀料擦掉,然后进激光雕刻机雕刻画好的文件。  面板雕刻。(激光雕刻只适用于有色铝氧化表面,雕完是黄白色氧化铝的颜色,不太适合银色铝本色面板雕刻)  自编码,包括之前做的一台,这是第二和第三台。(其实这块手忙脚乱中雕错面了。)   其中一套完成品。  电位器延长杆没买现成的,因为一直觉得金属杆从牛旁边过会有感应。期间找了ABS棒,亚克力棒,都觉得它们在导热块后面穿过,烤时间长了容易变脆,而且两者的刚性差,转动会有扭动形变。最后找了根碳纤管,是鱼竿上的一节,刚性很好。然后请同事焊了两个黄铜连接件。   零件基本齐全了,开始最后的装配。 通电开声。用了个20W,双AC12V的小牛做测试,接上炮灰音箱,音源是电脑。这时的保护电路未通电,手动闭合继电器。(先放上音乐,然后轻点一下开关,通电时间0.X秒,如果电路没问题,喇叭就应该直接出声了,电容的余电还能让它再响几秒)确认各元件无异常后,就可以延长通电时间了。用这个小牛带着听了半天,导热块只是有点温,低电压的发热相当小。此时中点为0mV和0.1mV,电位器关到底无噪音无嗡声,断开输入电位器开到头有一丁点丝丝的热噪。  买这种继电器的好处就是带手动闭合开关。(主滤波的顶部离机箱盖只有3mm,而且新批次没绝缘帽,为了安全起见,用高温胶带贴了一下)  定制的四线AC26V+单AC16V的牛,150W。(功率偏小,但是这种机箱也放不下更大的牛了,除非分体)原带的线很长,果断剪短,然后压接插头。  每根线分成两股,热缩管分别套好,这是为了增大过流能力,也算冗余设计吧。  
		交流走线要绞合,尽管很短  
		电源输入线也一样,要绞和 电位器快贴在机壳上了,所以也用高温胶带贴一下。两个RCA座用粗铜丝绕一圈后焊死,防止打转。   这是手动音源切换的开关,刚好在原来焊继电器的位置焊上两个3针插座连接。  接地位置,采用的是直接接地。电源插座是焊接出线,然后用硅胶密封了一下。  
		最后来张内部布局 整体通电,还好,没烟花。噪音控制的还可以,贴在喇叭上有一点点交流哼声,离开几厘米就听不到了。应该是牛挨得太近的缘故,可惜没有合适的牛罩。  一般音量工作半小时,表面最热处的温度。(北京最近不是很热,室温大概26度)  接线。自制的线材。正式试音:  空间:15平书房,木地板+中间一块地毯,后背整墙书架,左侧厚落地窗帘。 音源:创新X-FI MUSIC 声卡(0460),win7 64bit 官方驱动 音箱:天朗S8LR,8寸同轴信号线:自制,佳耐美4芯屏蔽线 + 雅宝GY-3.5GB插头 + 雅宝RCA-007GB插头(2.5米) 喇叭线:自制,雅宝GY-180A + SC:03B-L香蕉头(1.8米X2)(另一对怪兽线 + 百威头)#p#分页标题#e# 电源线:电脑用普通3芯线 媒体:无损压缩音轨,FOOBAR 2000 + 终极解码2011  没有选特定的试音曲目,电子贝多芬最后一轨,1812真实炮声版,老虎鱼的第一张专辑第7轨,还有很多爵士乐和流行乐。总的来说,就是7923的声音,高频解析还可以,中频很暖,这可能和号角单元也有关系,低频下潜不错,但力度不是很大,属于比较柔和的类型。  | 

























