最好的电子音响科技diy制作网站

haoDIY_音响电子电脑科技DIY小制作发明

当前位置: 主页 > 科技DIY > 光学 >

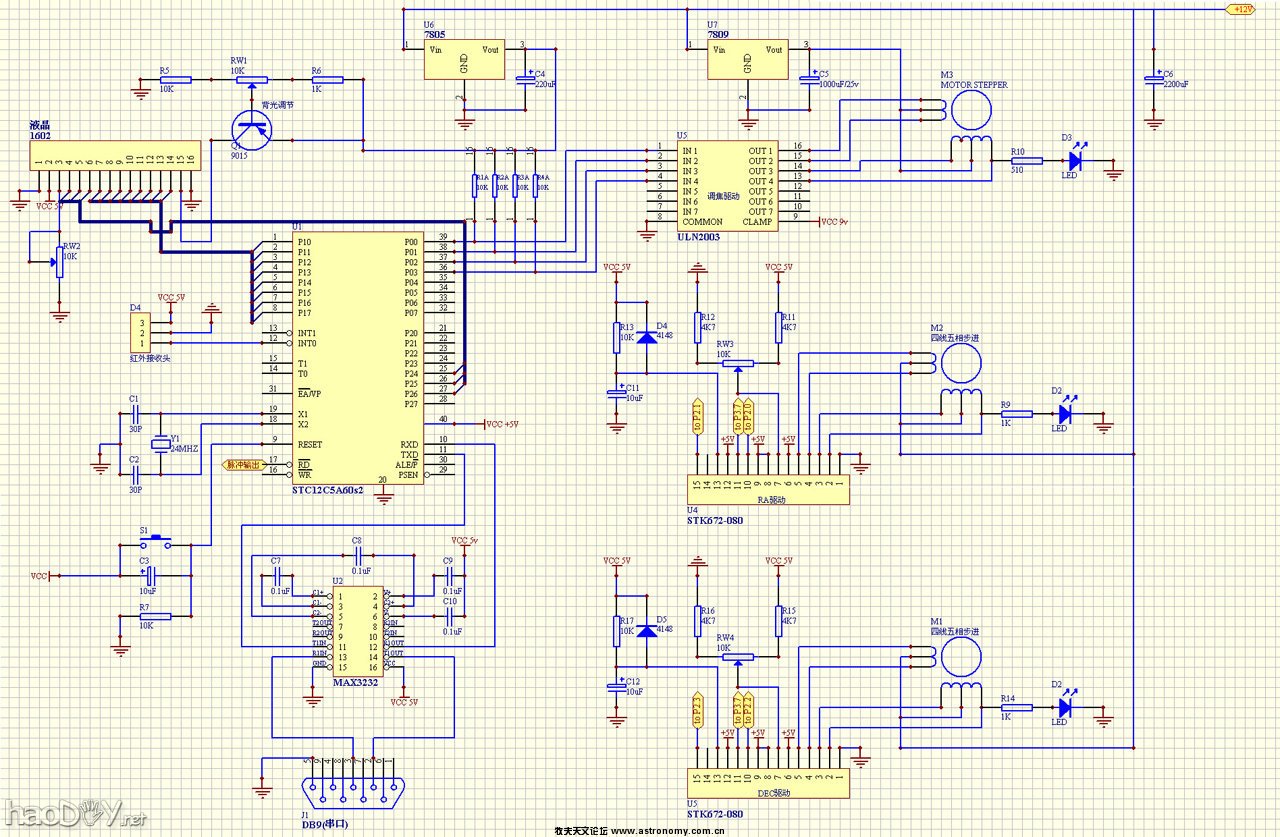
半自动GOTO天文望远镜系统完工了(附电路图)(2)

时间:2013-02-07 20:51来源:www.astronomy.com.cn 作者:dragon88 点击:


半自动GOTO天文望远镜系统完工了(附电路图)


半自动GOTO天文望远镜系统完工了(附电路图)

半自动GOTO天文望远镜系统完工了(附电路图)

(责任编辑:admin)
织梦二维码生成器
顶一下
(0)
0%
踩一下
(0)
0%
------分隔线----------------------------
发表评论
请自觉遵守互联网相关的政策法规,严禁发布色情、暴力、反动的言论。
评价:
表情:
用户名: 验证码:点击我更换图片