|
养花能够美化环境、陶冶人们的性情,许多退休在家的老人都喜欢养花。如果制作一台盆花缺水告知器送给爷爷、奶奶,一定会讨得他们的欢心! 盆花缺水告知器制作成本超不过5元钱,它能够在花盆土壤过分干燥时自动发出电子音乐声,以提醒主人尽快给花卉浇水。 一、工作原理
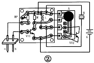
盆花缺水告知器的电路如图1所示,它主要由音乐集成电路A、晶体三极管VT1及土壤探头a、b等组成。VT1的基极偏流电阻由可变电阻器RP和土壤电阻串联而成。平常盆花不缺水时,置入盆花泥土内的a、b探头所检拾出的土电阻较小,VT1获得合适偏流而饱和导通,A的触发端TG脚处于低电位,故A内部电路不工作,压电陶瓷片B无声。 一旦盆花缺水,探头a、b检拾到的土电阻就会成倍增大,VT1失去合适偏流而退出饱和区,A的触发端电压≥1/2VDD,A内部电路被触发工作,其OUT端输出内储音乐电信号,经晶体三极管VT2功率放大后,驱动B发出清脆悦耳的电子音乐声。主人闻讯浇水后,音乐声即很快自行停止。 电路中,,电感器L并联在B两端,它与压电陶瓷片构成LC并联谐振回路,可显著增大发音量。 二、元器件选择 A选用KD-9300系列音乐集成电路,亦可用HFC1500、KD-152系列音乐集成电路直接代换。KD-9300的主要参数:工作电压范围1.3~5V,触发电流≤40μA;当工作电压为1.5V时,实测输出电流≥2mA、静态总电流<0.5μA;工作温度范围-10~60℃。 VT1用9011或3DG6型硅NPN小功率晶体三极管,要求电流放大系数β>50;VT2用9014或3DG8型硅NPN小功率晶体三极管,要求电流放大系数β>100。 RP用WH7-A型立式微调电阻器。R用RTX-1/8W型碳膜电阻器。L用LG2-22mH型固定磁芯电感器。B用FT-27或HTD27A-1型压电陶瓷片,要求带有简易助声腔(也叫共振腔或共鸣腔)。 G用两节5号干电池串联(配塑料电池架)而成,电压3V。 三、制作与使用
图2所示为该告知器印制电路板接线图,印制电路板实际尺寸仅为30mm×30mm。晶体三极管VT2可直接插焊在音乐集成电路A的芯片上。A芯片通过4根长约6mm的元件剪脚线插焊在电路板上。焊接时注意:电烙铁外壳一定要良好接地,以免交流感应电压击穿A内部CMOS电路! 焊接好的电路板连同干电池G、压电陶瓷片B一块装入体积合适的绝缘小盒内。盒面板为B开出释音孔,盒侧面开孔引出外接探头的双股软导线。土壤探头a、b采用长度约60mm的两根粗钢丝或不锈钢针,相间15mm左右插入花盆泥土中。为防止位置变动,可用塑料块或有机玻璃块进行固定,具体参见图2所示。
为了使制成的告知器外观漂亮,使用更加方便,还可将告知器制作成图3所示的“一体化”结构。具体方法:土壤探头a、b直接固定在电路盒上;盒子的面板采用有机玻璃边角余料,要求加工成向日葵(或其它花卉)形状,并在上面用色漆描绘出向日葵图案即成。如果要进一步缩小整机体积,可将干电池G改用成两粒串联的G13-A或SR44型氧化银扣式电池。 本告知器调试很简单:在盆花缺水时,通过调节微调电阻器RP阻值(必要时可改变探头插入泥土的深度及间距),使压电陶瓷片B处于临界不发声状态即可。 (责任编辑:admin) |



















