|
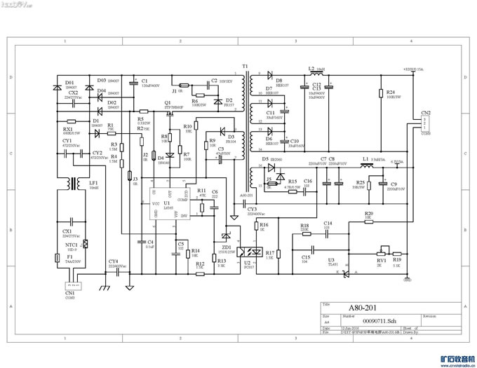
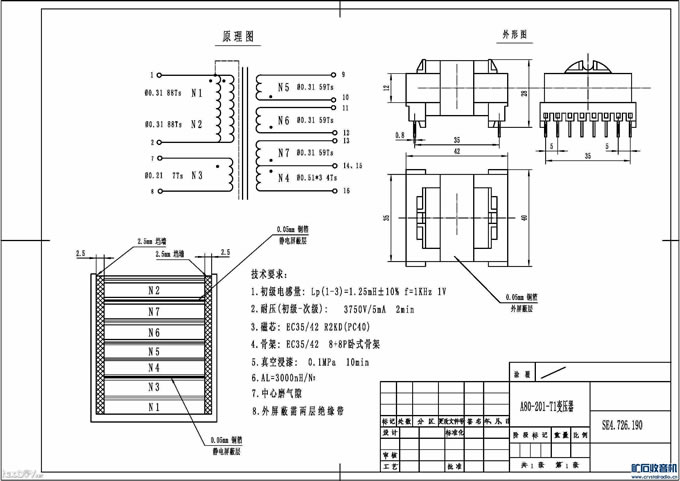
在这里我想与大家一起分享,科技进步给我们带来的方便。开关电源是近代科技的产物,英文…Switching Power Supply…转式电源供应器,俗称“开关电源”。 大家都知道开关电源体积小、重量轻、以及高效率,这是不真的事实。 但有的认为开关电源内阻大,动态小,这是非常不正确的观点,是对开关电源没有深入了解的错误认识。恰恰相反,开关电源通过合理设计反馈电路,可达到接近零欧姆的内阻,瞬间电流可以是额定电流的几倍甚至十几倍,这是传统线性电源无法相比的优势! 还又有认为开关电源太硬了(即电源内阻太小),影响胆机“音色”,其实开关电源另一个优点,其内阻通过反馈电路的设计,可随心所欲地调整控制,只是不为许多非专业人士所知。正因为这些优点开关电源被广泛应用在航天、航空、电子信息设备和电力电子设备,以及我们日常生活中。 那有又问开关电源的干扰问题是怎样解决?自从开关电源诞生那天起,全世界的专业人士和电源工程师,他们用自己的智慧在不断的设计创新,开发出许多优秀的开关电源控制器(芯片),以及相关的拓扑电路,提出了行之有效的抗干扰措施和解决方案(办法),满足其严格电磁兼容标准(即传导和辐射)。 目前开关电源干扰不是工程中的主要问题(除了劣质的开关电源外),而是解决功率密度和进一步提高效率问题。 谢谢大家与我一起分享。 几天前我在本坛发了一贴,题为“总想做一台自己喜欢的小胆机”的贴子 http://www.crystalradio.cn/thread-894141-1-1.html。 不少坛友对贴子里的胆机电源兴趣颇大,现就将这款电源介绍给大家,希望能给大家有所帮助。 此款电源型号为:A80-201;即输出功率80W;二路直流电压输出。 基本参数和特征 以及电路 该电源的脉宽调制器选用了一片L6565(ST公司)做电源的控制器。 L6565 是款电流模式的---脉宽控制器,专门设计用于构建离线准谐振零电压(零电压切换功率MOS管接通和关断)反激式转换器,因此,电源具有良好的电磁兼容性,可以满足严格的电磁兼容性标准(包括辐射和传导),消除对使用开关电源的顾忌。 电源全部选用的分立器件(L6565除外)。 ![]() ![]() ![]() ![]() ![]() ![]() ![]() ![]() ![]() ![]() 原里图 ![]() 印制板电路图 ![]() ![]() ![]() 开关电源主变压器图 ![]() ![]() 装配在整机上的图 ![]() ![]() ![]() ![]() ![]() 补充内容 (2016-6-15 13:09) 可能有的朋友在DIY中会遇到板金件的制作问题,在这里找一块大小适中的铝板将Q1、D5装配在铝板上即可。 还有就是选择适当的位置电源板(没机架)直接装配在胆机底板上,处理好绝缘就...OK! (责任编辑:admin) |



































