最好的电子音响科技diy制作网站

haoDIY_音响电子电脑科技DIY小制作发明

DIY电子管调幅--调频(立体声)收音机圆满完成 附电线路原理图纸

时间:2013-02-23 18:40来源:www.tubebbs.com 作者:sax 点击:
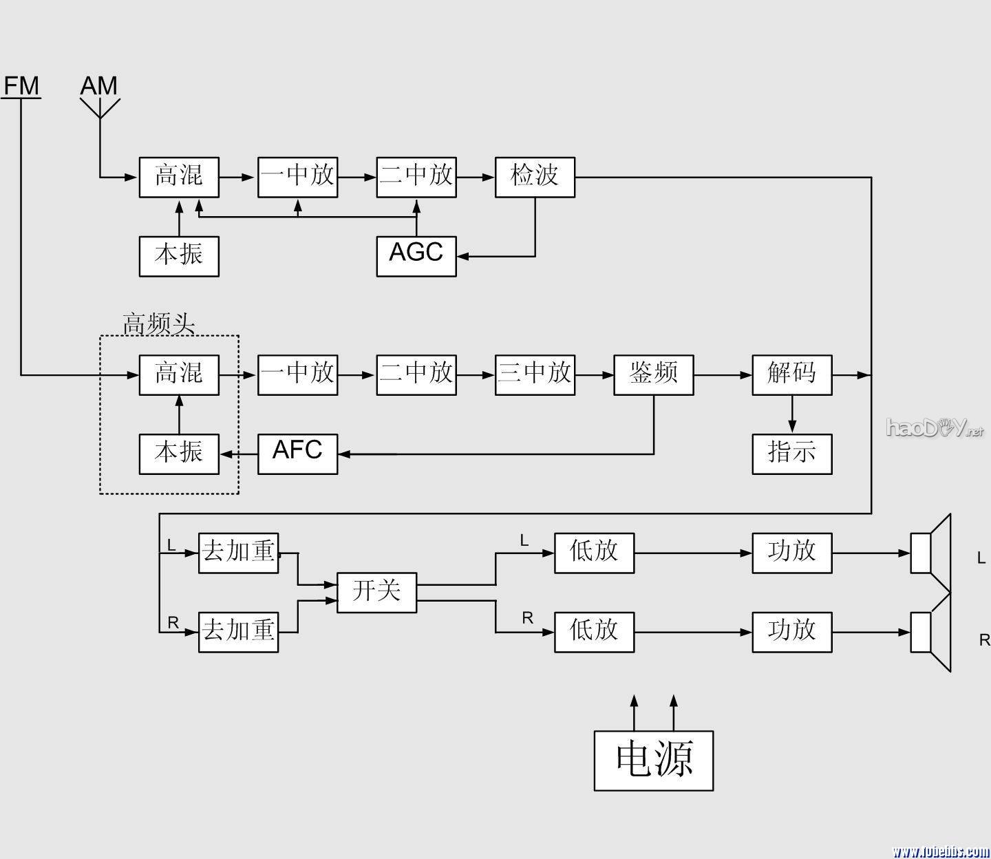
DIY 电子管 调幅--调频(立体声) 收音机 圆满完成,向大家交一份作业,希望大家喜欢。 本机为电子管台式二十二灯四波段超外差调幅、调频(立体声)收音机,调幅为三个波段,即中波、短波1、短波2.为提高灵敏度和选择性,采用了两级中放。调频采用了三级中放,

DIY电子管调幅--调频(立体声)收音机圆满完成,向大家交一份作业,希望大家喜欢。DIY电子管调幅--调频(立体声)收音机圆满完成 附电线路原理图纸 

DIY电子管调幅--调频(立体声)收音机圆满完成 附电线路原理图纸 

DIY电子管调幅--调频(立体声)收音机圆满完成 附电线路原理图纸 

DIY电子管调幅--调频(立体声)收音机圆满完成 附电线路原理图纸 


DIY电子管调幅--调频(立体声)收音机圆满完成 附电线路原理图纸 

DIY电子管调幅--调频(立体声)收音机圆满完成 附电线路原理图纸 

DIY电子管调幅--调频(立体声)收音机圆满完成 附电线路原理图纸 

本机为电子管台式二十二灯四波段超外差调幅、调频(立体声)收音机,调幅为三个波段,即中波、短波1、短波2.为提高灵敏度和选择性,采用了两级中放。调频采用了三级中放,调幅、调频分别采用了独立通道电路。备有波段指示器、立体声指示器和CD输入插口。

本机构架:

杀了一台废弃的飞跃R50-1收扩机,利用它的机箱和底台来改造成本机的底台和机箱,保留了原机电源部分的原件,加了一只WY3P作为调频部分的电源稳压,留用了原机的调谐机构,改造了刻度盘和增加了机内扬声器。

整机电路结构:

DIY电子管调幅--调频(立体声)收音机圆满完成 附电线路原理图纸 

本机频率范围:

中波--550KHz--1600KHz
短波1--4MHz--9MHz
短波2--9MHz--18MHz
调频--88MHz--108MHz
调幅中频频率465KHz
调频中频频率10.7MHz

各管子型号及功能:

AM-
型号              功能
1    6U1  变频 6N3 1/2 震荡
2    6K4              一中放(312-1)
3    6K4              二中放(312-1)
4    6G2              检波、自动增益控制、低频放大(312-2)
FM-
5      6N3              高放、混频
6      6N3              本振、AFC
7      6J1               一中放
8      6J1               二中放
9      6J1               三中放
10    6J1               限幅
11    6H2              鉴频
解码-
12    6J1               复合信号前置放大
13    6N3              19KHz导频信号放大
14    6J1               38KHz倍频式副载波发生器
15    6N3              差分放大

功放-
16 、17   6J8P            低放
18、19    FU-50          功放
电源-
20            5Z3P           低频通道整流
21            5Z2P             高频通道整流
22            WY3P           调频通道稳压

电路图:

AM通道电路
DIY电子管调幅--调频(立体声)收音机圆满完成 附电线路原理图纸 


FM 高频头电路
DIY电子管调幅--调频(立体声)收音机圆满完成 附电线路原理图纸 

FM 中频放大电路
DIY电子管调幅--调频(立体声)收音机圆满完成 附电线路原理图纸 

FM 立体声解码电路
DIY电子管调幅--调频(立体声)收音机圆满完成 附电线路原理图纸 

功放电路
DIY电子管调幅--调频(立体声)收音机圆满完成 附电线路原理图纸 

电源电路
DIY电子管调幅--调频(立体声)收音机圆满完成 附电线路原理图纸 


制作:

杀鸡
DIY电子管调幅--调频(立体声)收音机圆满完成 附电线路原理图纸 

DIY电子管调幅--调频(立体声)收音机圆满完成 附电线路原理图纸 

DIY电子管调幅--调频(立体声)收音机圆满完成 附电线路原理图纸 

底台改制:
DIY电子管调幅--调频(立体声)收音机圆满完成 附电线路原理图纸 

DIY电子管调幅--调频(立体声)收音机圆满完成 附电线路原理图纸 

DIY电子管调幅--调频(立体声)收音机圆满完成 附电线路原理图纸 

DIY电子管调幅--调频(立体声)收音机圆满完成 附电线路原理图纸 


制作机内喇叭支架
DIY电子管调幅--调频(立体声)收音机圆满完成 附电线路原理图纸 

DIY电子管调幅--调频(立体声)收音机圆满完成 附电线路原理图纸 

DIY电子管调幅--调频(立体声)收音机圆满完成 附电线路原理图纸 

面板的改制
DIY电子管调幅--调频(立体声)收音机圆满完成 附电线路原理图纸 

DIY电子管调幅--调频(立体声)收音机圆满完成 附电线路原理图纸 

DIY电子管调幅--调频(立体声)收音机圆满完成 附电线路原理图纸 

DIY电子管调幅--调频(立体声)收音机圆满完成 附电线路原理图纸 

中放屏蔽盒
DIY电子管调幅--调频(立体声)收音机圆满完成 附电线路原理图纸 

波段开关
DIY电子管调幅--调频(立体声)收音机圆满完成 附电线路原理图纸 

DIY电子管调幅--调频(立体声)收音机圆满完成 附电线路原理图纸 

调频中周制作
DIY电子管调幅--调频(立体声)收音机圆满完成 附电线路原理图纸 

DIY电子管调幅--调频(立体声)收音机圆满完成 附电线路原理图纸 

DIY电子管调幅--调频(立体声)收音机圆满完成 附电线路原理图纸 

调频天线线圈、振荡线圈、微调电容
DIY电子管调幅--调频(立体声)收音机圆满完成 附电线路原理图纸 

DIY电子管调幅--调频(立体声)收音机圆满完成 附电线路原理图纸 

DIY电子管调幅--调频(立体声)收音机圆满完成 附电线路原理图纸 

DIY电子管调幅--调频(立体声)收音机圆满完成 附电线路原理图纸 

DIY电子管调幅--调频(立体声)收音机圆满完成 附电线路原理图纸 

解码部分线圈
DIY电子管调幅--调频(立体声)收音机圆满完成 附电线路原理图纸 

调幅天线线圈、振荡线圈、微调电容
DIY电子管调幅--调频(立体声)收音机圆满完成 附电线路原理图纸 

DIY电子管调幅--调频(立体声)收音机圆满完成 附电线路原理图纸 

DIY电子管调幅--调频(立体声)收音机圆满完成 附电线路原理图纸 

元件安装
DIY电子管调幅--调频(立体声)收音机圆满完成 附电线路原理图纸 

DIY电子管调幅--调频(立体声)收音机圆满完成 附电线路原理图纸 

DIY电子管调幅--调频(立体声)收音机圆满完成 附电线路原理图纸 

DIY电子管调幅--调频(立体声)收音机圆满完成 附电线路原理图纸
(责任编辑:admin)
织梦二维码生成器
顶一下
(32)
84.2%
踩一下
(6)
15.8%
------分隔线----------------------------
发表评论
请自觉遵守互联网相关的政策法规,严禁发布色情、暴力、反动的言论。
评价:
表情:
用户名: 验证码:点击我更换图片
栏目列表
推荐内容