最好的电子音响科技diy制作网站

haoDIY_音响电子电脑科技DIY小制作发明

【参赛】低乙电直流三灯机

时间:2017-08-08 17:10来源:www.crystalradio.cn 作者:1971sam 点击:
【参赛】低乙电直流三灯机 ,矿石收音机论坛
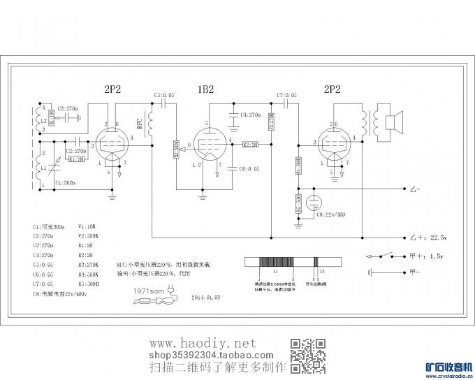
有个坛友要求装一台喇叭放音的直流三灯机,我后来想了想,就用这个2P2+1B2+2P2来做,其实就是2P2的单灯机加上1B2+2P2放大。所不同的是用变压器的初级做负载,声音音量充足。乙电采用14500锂电7节串联,差不多25-27v,经使用基本满足要求。制作时主要的配件是底板和面板,这个使用了雕刻机来辅助完成。具体技术都在电路图上了。其他细节不再展示。来参赛凑个热闹。谢谢!!!

1:电路图
【参赛】低乙电直流三灯机
2:布局设计
【参赛】低乙电直流三灯机
3:底板加工图
【参赛】低乙电直流三灯机
4:面板设计图
【参赛】低乙电直流三灯机
5:外观
【参赛】低乙电直流三灯机 
【参赛】低乙电直流三灯机 
【参赛】低乙电直流三灯机
【参赛】低乙电直流三灯机
【参赛】低乙电直流三灯机
6:视频
http://v.youku.com/v_show/id_XNjU0MjI5NjQ0.html

 

(责任编辑:admin)
织梦二维码生成器
顶一下
(0)
0%
踩一下
(0)
0%
相关文章
------分隔线----------------------------
发表评论
请自觉遵守互联网相关的政策法规,严禁发布色情、暴力、反动的言论。
评价:
表情:
用户名: 验证码:点击我更换图片
栏目列表
推荐内容