|
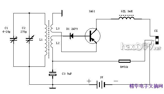
然后按照原理图照图施工,并不复杂,焊接完毕检查一下有无接错漏焊的地方,确认正确后即可调试。 调试 (调试前首先确认有电台在广播)把R*的位置用一只100k电位器串一只30k 的固定电阻代替,电位器转至阻值最大处,再生线圈L3先不套进磁棒。确认接线无误后接上耳机、电池,再从大往小调整电位器,到某处听到耳机中有明显的“沙沙”声时停下,调节单连就可以收到播音。再调整电位器使信号清楚响亮。测量一下晶体管的集电极电流(也可以先把万用表串在电路中)在0.5~2mA之间都有可能,通常电流大声音大,电流小灵敏度高。 再把再生线圈L3套进磁棒,调节和L1的位置,使波段高端刚好不啸叫。如果不起再生把L3的两个线头对调。移动高扼圈的位置,使波段低端刚好不啸叫。 固定好高扼圈,把R*用一只相同阻值的固定电阻焊上,把整个线路板装入机壳,盖上后盖,插上耳机通电试机,没有问题就OK!一部小巧精致、怀旧韵味浓厚的单晶体管收音机就制好了,你可以尽情欣赏、享受自己的劳动成果了!
这个单管机用耳机收听本地电台声音可以震耳,白天本地的7家电台都可以收到,晚上可以收到12个电台,至少有一个台是四川的,因为听到卖大力药丸的说“热线电话028xxx”,呵呵!估计灵敏度在3~5mV/M之间,接近于只有一级中放的简易外差机。这里说明一下虽然两者灵敏度都在3~5mV/M之间,但是一个用耳机一个用喇叭收听,实质是不同的。 单管机对于无线电爱好者来说具有划时代的意义,它和矿石机比较虽然都用耳机收听,但却甩掉了外接天线这根辫子,同电子管单灯机比较只要2节5号电池就可以工作,而电子管单灯机则要1.5v的甲电和至少是22.5v的乙电,恐怕还要拖个辫子。那时谁要是装了一部不要天线而且可以放在口袋里随身携带的收音机是很光彩的,用最低成本达到这个要求的就是晶体管单管收音机了。上次装单管机还是三十几年以前的事情了,此次重新装机又有不少体会。 二、讨论篇 单管机装好了,兴趣却不减,索性又找了一块面包板,把常见的单管机电路全部搭了一遍,这些电路在经典晶体管收音机老书里都介绍过,这一个是一些电路以前我也没有试验过,这次作个讨论比较。再一个也是给一些初学的朋友探个路。为了保证可比性,各个电路均用同一只管子,除非电路要求型号不同。实验所用磁性天线长170mm,配用260pF空气可变电容器,试验时均不外接天线,用青年牌2000欧姆双筒高阻耳机 1 、一级低放单管机,这个是由矿石机向单管来复机过度的一个电路 图2-1 实验结果:不外接天线只可以收到本地2家最强电台的播音,声音很轻,必须加一个外接天线才有良好效果 2、再生式单管机,和图1很象,但用高频管加了再生,高频扼流圈不可省 图2-2 实验结果:灵敏度比上图有很大提高,不外接天线可以收到本地全部电台的播音,但再生很不均匀,再生的强弱对收音成绩影响很大,仅当对每一个电台调好再生时这个台的声音才比较响亮,整体效果差强人意。 3 、用8欧姆低阻耳机的单管机 这个电路出现的时间较晚,也不是以前经典的书籍中出现的,所以我以前也没有试验过,这次一起试验了 图2-3 实验结果:两个字:不响!集中注意力仔细辨别,可以隐约听到声音,但无法听清内容。试着把低阻耳机接在集电极回路中,这时的声音都比图中大。这估计是原书作者根据理论画出的原理图,根本没有实践过,想当然地认为把耳机接在发射极回路成为射极输出器就可以带低阻负载了,殊不知射极输出没有电压放大作用,检波后的低频信号本来就微弱,高频管的射随器输出阻抗又不能很好地和8欧姆耳机匹配,效果怎么能好呢?这完全是个纸上谈兵的图纸。 4 、用硅管的来复再生式单管机,线路与典型电路图纸相同,图号命名为图2-4以便下面讨论 。 用9015可以直接代替3AG1,但要把D2换成硅二极管,用9013时除了D1要换成硅二极管外所有有极性的元件(包括电池)要全部反向,下面是常见的90系列晶体管参数表 型号 Pcm(mW) fT 用途 9011 NPN 400 150 高放 9012 PNP 625 150 功放 9013 NPN 625 140 功放 9014 NPN 450 80 低放 9015 PNP 450 80 低放 9016 NPN 400 500 超高频 9018 NPN 400 500 超高频 8050 NPN 1000 100 功放 8550 PNP 1000 100 功放 90系列晶体管放大倍数很大,实验用的这只9015高达335 (责任编辑:admin) |





















