|
工匠精神------用车机高频头LA1781做了一个PLL锁相环控制的FM收音机 虽然标题套用了一个有点用滥的词,但楼主确实是本着这个精神想做一个靠谱的“作品”,给收音机情结划一个完美的句号。但结果还是差强人意 楼主是80年的,在网络没有普及的时候,有了收音机的陪伴,许多漫漫长夜才不至于那么难过,在那时候产生了浓厚的广播情结。 即使到了互联网时代还是挥之不去,就做了这个玩意聊已“自慰”。由于心里没底,很多IC都是第一次用,就采用了模块化制作,方便查找问题。 一直对PLL(锁相环)好奇,就想做一个基于PLL的收音机,闲来无事上网收了个车机的高频头,LA1781的芯片 先简单的搭一下,看能不能搞的定,调试通过后再继续。可惜调试的照片找不到了。下图是做了PCB后调试的样子
收音模块电路图
所有电路使用热转印制作
单片机最小系统
电源模块
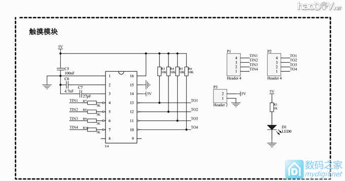
触摸部分,Sc04A电容触摸,4通道,第一次玩
![]() “大制作”,未完…… 触摸PCB ![]() 触摸IC ![]() 电容触控,可以穿透 ![]() ![]() ![]() 颜值很重要,特意设计的面板,彩色喷墨打印后加一层冷裱膜防止刮花 ![]() 显示部分使用了12864液晶 ![]() 触控+按键 ![]() 外壳已完成,自己觉得还灰常漂亮的 ![]() ![]() 屁股开口安装电源、音频和天线插座 ![]() 大小参考 ![]() 简单组装一下,有点乱,当时还想以后再整合一下,但一直到现在也没有动工 ![]() ![]() 反复的修改程序,在浪费了N个晚上的空余时间后,终于达到了预期要实现的功能,可以正常的工作了 ![]() 不知能不能发完,再占一层 还有几张热转印拍的PP,一块发上来吧 ![]() ![]() ![]() ![]() ![]() ![]() ![]() 后记: 1、如有觉得买个19块包邮的车机就比这个好的兄弟请绕道,慢走不送 2、做出来好久了,一些细节可能记得不那么清楚,见谅 3、收听效果麻烦看一下上面的视频,很主观的东东不好形容 4、做好后还是很有成就感的,尽管听了没有一个小时就去吃灰了,最重要的还是享受过程 5、程序和PCB就不发了,毕竟这玩意有点小众。如有需要请PM (责任编辑:admin) |





























































