用"组合"的方法制作矿石机,可以按"需"使用,如图1中接在天线1输入时就是单回路单调谐矿机,优点是灵敏度最高,接在天线2时就是双回路单调谐矿机,优点是选择性较好。当接入天调时就组成了3回路双调谐矿机,可获得较高的灵敏度和更好的选择性。需要什么就用什么,可任意组合,乐趣多多。
下面介绍一款供网友参考
本组合由检波器(主机),匹配器(输出变压器等),陷波器(吸收回路),二款天调共5件组成。
一,检波器(主机); 本机可单独使用,即是一台单回路,双回路单调谐矿机,也可以组合成三回路双调谐矿机。先上电路图:

线圈绕在二只37mmx25mmx7mm磁环上,这种型号为R40C1的镍锌磁环性能优良,用175股里兹线在1.5MHz频率时空载Q值在1000以上。
可变电容用一款"军机"品,静片和动片都为铜质。再配上一个"熊猫"减速扭。

检波管使用2820(高阻)和3DQ(低阻),可直接用动铁或压电耳机以及舌簧耳机收听。






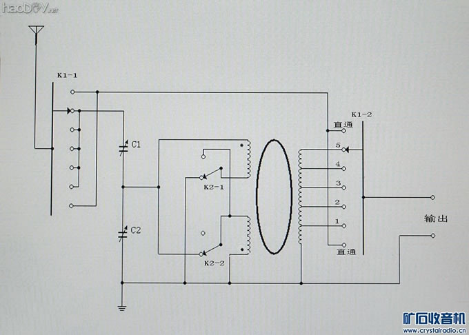
二,输出电路(匹配器): 该部分由仿T725变压器,直流电流表,陈宪文电路(部分),班尼电路组成。


三,陷波器(吸收回路):当有两个台较近有混台情况或有强台压弱台情况发生时,就要用陷波器。使用陷波器时你会发现,强台声小了或者无声了,而弱台却比以前声大了。
电路图

电路为双回路型式,在需要的时候可以把两个串联使用,也可以在天线和地线之间分别使用。
磁环用37mmx25mmx15mm,线圈用0.04x175线,调整抽头位置可改变吸收量。






四,天调1:此天调电路原理是利用天线的分布电容与天调电感组成谐振回路,改变电感量即可改变谐振频率。
此电路优点是调谐方便,缺点是不能精确调整频率,在频率高端效果不好。
磁环用NXO-100 31mmx18mmx7mm 线圈用0.04x60线。
使用方法;先将天调串接在天线回路中,天调置于直通位置,然后调台至最大声,再旋转天调选择至最大声即可。







五,天调2:电路图

二只37mm磁环叠加,用502固定,外包聚四氟乙烯(生料带),谐振线圈用0.04x175线分两组各33匝绕制,即所谓"双值反绕"法,串联电感量245uH,并联62uH。当两线圈并连时在2MHz时Q值还在1000以上。
可变为3x180P三连,C1用一连,另两连并连组成C2。
改变输出抽头位置调整输出强度,使用中1匝位置效果最好。
双值反绕示意图
|
(责任编辑:admin) |