最好的电子音响科技diy制作网站

haoDIY_音响电子电脑科技DIY小制作发明

大容量可变电容小电感调谐回路矿机的实验制作

时间:2017-04-27 20:59来源:www.crystalradio.cn 作者:tnlby 点击:
本帖最后由 tnlby 于 2016-8-15 15:20 编辑 大容量可变电容小电感调谐回路矿机的实验制作 在网上购得到一只崭新的复旦瓷支架三连可变电容,每连容量为12- 500P,Q值较高用于矿机的调谐回路是个不错的选择。因是三连,用常 规数据制作调谐回路只能用其中一连

本帖最后由 tnlby 于 2016-8-15 15:20 编辑

大容量可变电容小电感调谐回路矿机的实验制作

在网上购得到一只崭新的复旦瓷支架三连可变电容,每连容量为12-

500P,Q值较高用于矿机的调谐回路是个不错的选择。因是三连,用常

规数据制作调谐回路只能用其中一连另外两连就要闲置了,会造成不必

要的功能浪费。为此,打破常规将其中两连并联,进行大容量电容小电

感调谐回路矿机的实验制作,剩余一连制成短波波段组成一台两波段矿

机。实验的目的:小调谐电感线圈,圈数少既减少了线圈的分布电容也

可使用更多股数的李兹线绕制提高线圈的Q值,提高中波频率高端的接

收灵敏度和选择性。

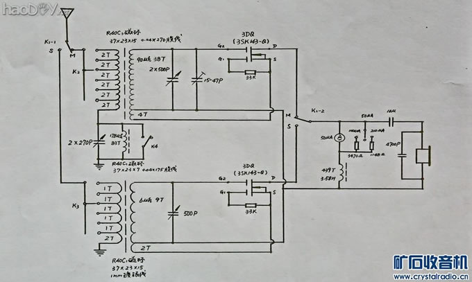
一、        矿机线路



矿机线路见图一。采用中、短波各自调谐、检波,共用天地线和检波后

音频线路的方式。矿机是无源机,这样可减少转换开关触点的
本主题由 hhyy99 于 2016-8-15 21:43 设置高亮
 

线路.JPG (84.84 KB, 下载次数: 19)

 

图一

大容量可变电容小电感调谐回路矿机的实验制作

  
损耗,减少引线之间的相互耦合干扰,提高矿机的接收效果。调谐回路

放弃大型空心线圈和磁棒耦合模式,而是采用高Q值磁环耦合;为了提

高效率放弃二极管加输出变压器与舌簧耳机匹配的传统方式而采用

3DQ(3sk143-Q)场效应管检波直接与中低阻舌簧耳机匹配的方式。优

点是:3DQ的输出阻抗与舌簧耳机阻抗匹配好,输出功率大;检波效率

高,接收电台弱信号的效果好。电流表采用与耳机并联的接法,优点是

可避免串联接法检波后的直流成分流过耳机使舌簧耳机的舌簧偏离极靴

的中心位置降低耳机的灵敏度影响弱台的接收。
二、       
主要元件的选择

1.        调谐回路可变电容:复旦12-500P瓷支架三连可变电容。见图二


调谐回路频率覆盖调谐电容:80P(100P)
 

图二-1.JPG (92.65 KB, 下载次数: 6)

 

图二

本帖最后由 tnlby 于 2016-8-15 15:25 编辑

陷波器可变电容:普通2X270p塑料小双联。

2、调谐回路磁芯:R40C1磁环(37X23X15mm),导磁率μ=40
 
 陷波器磁芯:R40C1(37X23X7mm)磁环,也可用导磁率μ=100磁环

(31X18X7mm),见图三。

图三

3、检波元件:3DQ(3SK143-Q)见图四。

图四
 

图三-1.JPG (67.36 KB, 下载次数: 8)

 

图三

大容量可变电容小电感调谐回路矿机的实验制作
 

图四-1.JPG (138.08 KB, 下载次数: 8)

 

图四

大容量可变电容小电感调谐回路矿机的实验制作
大容量可变电容小电感调谐回路矿机的实验制作
本帖最后由 tnlby 于 2016-8-15 15:26 编辑

4、线圈用线:中波:Ф0.04X270股李兹线;短波:Ф1mm镀银线;陷波

器:Ф0.04X175股李兹线

5、耳机:大罐头舌簧耳机或SC2-300舌簧耳机。见图五

图五

6、电流表:直流50μA
   
阻流电感:M10镜面磁芯

7、K2天线转换开关:2X6小开关,只用一段

8、K1中短波转换开关:2X2纽子开关

9、K3陷波器短路开关:自锁按钮开关

10、K4电流表分线电阻开关:2X3纽子开关

11、天地线接线柱:镀金接线柱

三、元件的制作

1、计算中、短波调谐线圈,;陷波器线圈的电感量
 

图五-1.JPG (62.98 KB, 下载次数: 4)

 

图五

大容量可变电容小电感调谐回路矿机的实验制作
已知调谐可变电容的容量范围是12-500P,陷波器可变电容容量为12-

540P,根据电子谐振计算器得出:

中波线圈电感量为90μh;调谐电容为104-1080P;频率覆盖范围为

0.511-1.645khz。附加调谐电容是80P。

短波线圈电感量为6μh;调谐电容12-500P;频率覆盖范围为2.90-

18.7mhz。

陷波器线圈电感量为178μh,频率覆盖范围为0.513-3.444mhz

见图六至图十一

图六

图七
 

0P8A4985-2.jpg (122.02 KB, 下载次数: 7)

 

图六

大容量可变电容小电感调谐回路矿机的实验制作 (责任编辑:admin)
织梦二维码生成器
顶一下
(0)
0%
踩一下
(0)
0%
------分隔线----------------------------
发表评论
请自觉遵守互联网相关的政策法规,严禁发布色情、暴力、反动的言论。
评价:
表情:
用户名: 验证码:点击我更换图片
栏目列表
推荐内容