最好的电子音响科技diy制作网站

haoDIY_音响电子电脑科技DIY小制作发明

【参赛】我制作的大线圈矿石收音机

时间:2017-05-28 21:41来源:www.crystalradio.cn 作者:llllllxing 点击:
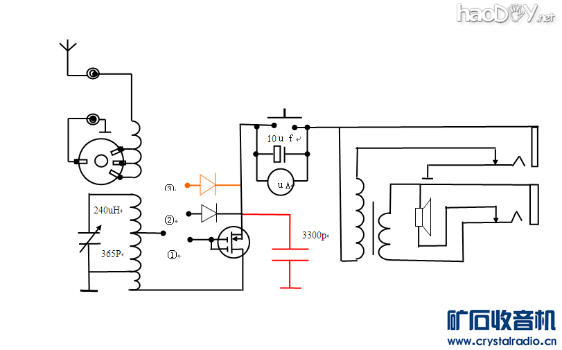
这是我前阵子制作好的空芯线圈矿石收音机,线圈筒直径内筒 18厘米,外筒20厘米。电路通过转换开关可以工作在场管模式和二极管模式,以及活动矿石工作模式。电路图和制作过程图如图所示,通过接收试验,效果明显好于以前制作的直径七点五厘米和九厘米线圈的矿
这是我前阵子制作好的空芯线圈矿石收音机,线圈筒直径内筒 18厘米,外筒20厘米。电路通过转换开关可以工作在场管模式和二极管模式,以及活动矿石工作模式。电路图和制作过程图如图所示,通过接收试验,效果明显好于以前制作的直径七点五厘米和九厘米线圈的矿石收音机。由于实际接收没有办法定量表述,只能通过跟以前制作的矿石机进行对比接收效果来体会。本人制作的基本是都是空芯线圈矿石机,最初直径从三厘米 开始,然后做直径五厘米的线圈矿石机,感觉效果比三厘米的要好一些,然后制作了直径七点五厘米和九厘米的线圈,效果比五厘米的又要提高一些,所以这次制作了直径18厘米内筒调谐线圈和直径20厘米的外筒天线线圈及场管线圈,经过制作完成后收听,在同样的天线情况下,整体效果又提高了一些,这里天线就是拖的一根几十米的电线,另外也是用一根电线接地,前面制作的几款,由于线圈直径不太大,必须同时有天地线才能良好接收,没有地线基本上不能收听,这次制作的大线圈矿石机,在同样情况下,音量提高了一些,选择性和灵敏度也有提高,表现为收吧明显多了许多,前面的小直径线圈收台明显少,而大线圈矿石机,收台明显多了不少,另外把地线脱开,也能收到电台,只是音量少了一些,因为感觉大线圈矿石机虽然体积上笨重了一些,但接收效果明显要好许多。另外在不同工作模式下也适当进行了比较。在电台信号较弱的情况下,场管接收效果要好于二极管,活动矿石接收效果比二极管要差许多。当电台信号足够强时,感觉场管和二极管的区别不太大了,接收效果差不多。以上只是大致的接收体会。并不严格,也没有定量的数据可以描述。只是一些接收时候的主观感受。

补充内容 (2016-2-21 16:02):
将直径20厘米的线圈矿石机和直径7.5厘米线圈的矿石机收听进行比较,大线圈的矿石机不仅收台增加,而且音量也提高明显。本人地处宜兴太湖西岸,没有本地台,但周边城市,象杭州。苏州,无锡,常州,南京.等都有台听。
 

安装图.png (70.32 KB, 下载次数: 11)

 

【参赛】我制作的大线圈矿石收音机
 

原理图.png (40.36 KB, 下载次数: 5)

 

【参赛】我制作的大线圈矿石收音机
 

安装图二.png (84.22 KB, 下载次数: 5)

 

【参赛】我制作的大线圈矿石收音机

 
制作过程实物图
 

矿石机造型.jpg (40.8 KB, 下载次数: 4)

 

【参赛】我制作的大线圈矿石收音机
 

亚克力线圈筒.jpg (66.9 KB, 下载次数: 2)

 

【参赛】我制作的大线圈矿石收音机
 

矿石收支架板.jpg (67.71 KB, 下载次数: 2)

 

【参赛】我制作的大线圈矿石收音机
 

P1055595.jpg (58.36 KB, 下载次数: 2)

 

【参赛】我制作的大线圈矿石收音机
 

P1055596.jpg (59.89 KB, 下载次数: 4)

 

【参赛】我制作的大线圈矿石收音机
 

P1055600.jpg (84.05 KB, 下载次数: 3)

 

【参赛】我制作的大线圈矿石收音机
 

P1075601.jpg (70.53 KB, 下载次数: 4)

 

【参赛】我制作的大线圈矿石收音机
 

P1075607.jpg (76.38 KB, 下载次数: 5)

 

【参赛】我制作的大线圈矿石收音机
 

P1075608.jpg (81.87 KB, 下载次数: 6)

 

【参赛】我制作的大线圈矿石收音机
 

P1075613.jpg (85.11 KB, 下载次数: 2)

 

【参赛】我制作的大线圈矿石收音机
 

P1075625.jpg (70.29 KB, 下载次数: 2)

 

【参赛】我制作的大线圈矿石收音机
 

螺纹圆筒.JPG (72.29 KB, 下载次数: 2)

 

【参赛】我制作的大线圈矿石收音机
 

加工好螺纹圆筒.JPG (77.91 KB, 下载次数: 2)

 

【参赛】我制作的大线圈矿石收音机
 

P1115649.JPG (89.11 KB, 下载次数: 2)

 

【参赛】我制作的大线圈矿石收音机
 

P1085629.jpg (95.09 KB, 下载次数: 2)

 

【参赛】我制作的大线圈矿石收音机
 

P1115632.jpg (责任编辑:admin)

织梦二维码生成器
顶一下
(0)
0%
踩一下
(0)
0%
相关文章
------分隔线----------------------------
发表评论
请自觉遵守互联网相关的政策法规,严禁发布色情、暴力、反动的言论。
评价:
表情:
用户名: 验证码:点击我更换图片
栏目列表
推荐内容