最好的电子音响科技diy制作网站

haoDIY_音响电子电脑科技DIY小制作发明

当前位置: 主页 > 音响DIY > 音箱DIY > 分频音箱 >

DIY你的便携音箱

时间:2013-01-29 20:47来源:diy.elecfans.com 作者:foooy007 点击:
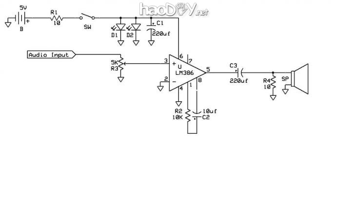
这是我自制的单通道便携音箱,打开后能发出蓝光,在晚上使用会特别酷! 该制作中使用的材料和工具都很常见,芯片我用的是LM386。 第1步 电路图 电路图见上图。 第2步 元器件准备 所有元器件(除了塑料板)都可以从网上买到,我是从 RadioShack 购买的,包括

这是我自制的单通道便携音箱,打开后能发出蓝光,在晚上使用会特别酷!

该制作中使用的材料和工具都很常见,芯片我用的是LM386。


DIY你的便携音箱

DIY你的便携音箱


第1步电路图

电路图见上图。
DIY你的便携音箱

DIY你的便携音箱

DIY你的便携音箱

DIY你的便携音箱

 

第2步元器件准备

所有元器件(除了塑料板)都可以从网上买到,我是从RadioShack购买的,包括:

 

417孔的黑色万用PCB

4.5-9 V DC 电源 (3/4 AA9v电池)
   8欧的喇叭
  音频来源(例如iPod

聚丙烯塑料板 
  大小适合的盒子
  2个蓝光的方形LED
  单声道音频接口
  8芯片座子 
  IC: LM386音频放大IC
R1      电阻                         10 
R2      电阻                         1K
R3      电位器                       5K
R4       (责任编辑:admin)

织梦二维码生成器
顶一下
(0)
0%
踩一下
(0)
0%
相关文章
------分隔线----------------------------
发表评论
请自觉遵守互联网相关的政策法规,严禁发布色情、暴力、反动的言论。
评价:
表情:
用户名: 验证码:点击我更换图片
栏目列表
推荐内容