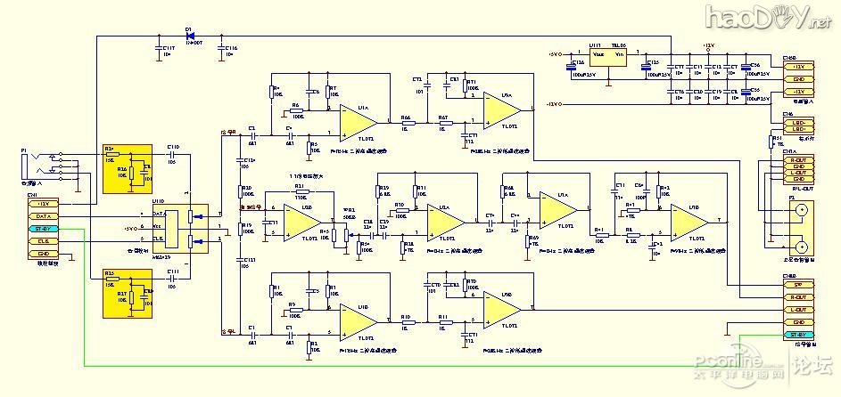
![]() ![]() 电源打磨完毕,接下来打磨信号板! 首先我对信号的输入部分很是不满意!白白的衰减掉60%之多!实在是不该呀! 一,短路输入串联电阻R24、R25,这样电路的输入阻抗为10K,信号电平=输入电平 ![]() 同时,也拆去了旁路电容器C80、C81(容量未知,估计不超过100P) 二,更换元件: 1,拆掉信号板的电源滤波电容C55、C56,更换为黑金刚KZH220uf/16V电解电容器 2,拆掉C110、C111、C123、C124,更换为德国威马WIMA MKS2 1uf63V电容器, ![]() 三,增加线控音量的待机控制功能,先看图 ![]() 图中,绿色线就是增加的线路。其实惠威在设计中好像就考虑了这个功能,不过不知道为什么,并没有使用这个功能,使得从线控器-信号板-功放板的接插件上都空出了一个端子,哈哈,既然被我发现了,就再次加上吧! 具体操作: 1,打开线控器,找到静音状态下,驱动红色LED的那个三极管的集电极,然后把一支1N4148二极管的阴极焊接上去,二极管的另外一端(阳极)焊接到电缆的黄色线上(此线悬空着),这样,线控器部分改造完毕! 2,连接线控插座到信号板输出插座的控制线(图片待我再次拆机拍照后补上); 3,连接功放板上的控制线,请看图片: ![]() 注意:功放板上的信号线插座上只有一个5#端子是空闲的,现在已经被用作待机(静音)控制了。这5个端子的功能分别是: 1:超低音信号 2:右声道信号 3:左声道信号 4:接地 5:待机(静音)控制信号 ![]() 请注意:线缆中,黄色线就是用来控制待机(静音)的 接下来,就到音箱啦! 说实在的,惠威的这款音箱是很好看的,庄重、朴实,比起T200B和M200MK音箱,我最喜欢这款M50W了! 自从感觉这款音箱的中高音比较弱之后,对音箱就比较关心。一次偶然的机会,为解决妈妈家车库的漏雨问题,在车库的阁楼上,竟然发现了弟弟淘汰了的一对音箱,捡起来一看,嘿!还是JVC的呢,看看做功还是不错的,就拿回家当做M50W卫星音箱试试。 这是音箱后面的标签 ![]() 打开电源,接上DVD,放入一张姜育恒的专辑《女人的选择》,哇!感觉出来了!声音明显亲近多了!看来主要问题还是在卫星音箱! 我们来个对比吧: ![]() ![]() (责任编辑:admin) |

























