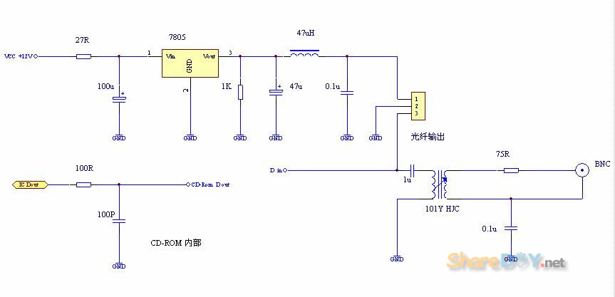
|   原理图:  (责任编辑:admin) | 
最近收了台二手雕刻机,3D的还没学会,咱做2D的。手工活就是拧螺丝,所以没啥过程可写...
近排上论坛见多位DIY友玩车载CD,看得我心痒的,见六一有两天假就整一台玩玩,来完我...
最近闲来无事!做个车载CD改家用给广大的友友们分享一下下! 首先我们要找到万能的淘...
先上图: 1.JPG (90.7 KB, 下载次数: 2) 下载附件 保存到相册 2012-11-25 08:09 上传 ...
据说现在USB DAC很流行所以我也做了一个 原理图 经过几天的等待 板子专用于回来了 前...
近日常逛论坛,看了不少DX作品,忍不住也秀秀自己近期的一款DAC作品。 配置:DIR9001+...
 教你用闲置CD光驱DIY遥控CD唱机
							更新:2017-07-07
							教你用闲置CD光驱DIY遥控CD唱机
							更新:2017-07-07
						 用光驱自制CD机,靓声到飞起 参
							更新:2012-09-24
							用光驱自制CD机,靓声到飞起 参
							更新:2012-09-24
						 本论坛收的车机
							更新:2017-08-04
							本论坛收的车机
							更新:2017-08-04
						 新丰田车机功率,实测中音量不接
							更新:2017-06-15
							新丰田车机功率,实测中音量不接
							更新:2017-06-15