|
以下是原件参数
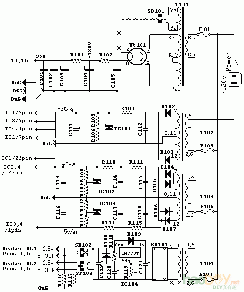
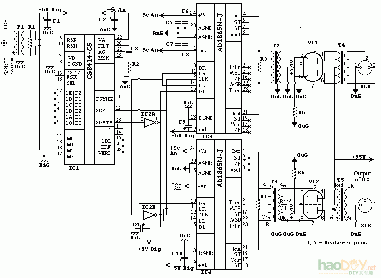
Position Value Manufacturer Supplier BR101 5A Any diode bride 5A or more C1, C2, C4, C9, C10 100μF 6.3 Black Gate NX Part ConneXion C3 68nF 100V Multicap RTX Part ConneXion C5, C7 22μF 6V3 Black Gate NX Part ConneXion C6, C8, C101, C106 4n7 500V Silver Mica www.newark.com C105, C107 68μF 350V Black Gate NH Part ConneXion C103 - C104 220μF 160V Black Gate VK Part ConneXion C111 220μF 16V Black Gate FK Part ConneXion C112, C114, C115, C117, c118 1000μF 25V Black Gate Std Part ConneXion C113, C116 1000μF 25V Black Gate NX Part ConneXion C119 100μF 16v Any C120 1μF 16v Any C121 23000μF 16v Mallory www.newark.com D102, D103 , D104, D105, D106, D107 (责任编辑:admin) |






























