这个制作前几天发在牛哥土炮,现整理一下转过来,如果胆艺轩有朋友对此有兴趣,不妨来一起探讨
这台CD是在设计2A3推挽功放的同时,作为与之搭配的音源来筹划的。
最早是想DIY硬盘播放器,但最终还是选择了CDP?这二者都没有很高的技术门槛,完全可以全部自行设计制作而无需依靠成品套件。不过我认为,DIY投入的精力、经济成本会比商品生产高很多,既然做就得弄个像样子的经典作品出来。这样,硬盘播放器作为“高级MP3”就落选了。
这个是本次DIY选用的CDPro2M机芯组件(现在的版本是CDPro2LF)
CDPro2M 性价比不高,但选用它可以提升DIY成品的品位,提高制作成功率及减少工程难度。我们很容易从网络上得到控制程序的源代码,也使得个人制作更为便捷 |
一. 规划
除了机芯和元器件需要购买,其他凡能DIY的一律自己动手。先草拟一下DIY一台CDP需要做些啥:
1. 电子部分框图如下,这些组合起来就是一台CDP基本的完整功能了
上图红色框为CDPro2M模组,已包含了读取机构和伺服部分(这可不是业余做得好的),而我们要制作的就是各蓝色框的部分,包括电源、DAC、控制、显示及数字信号的输入输出。
2.整机结构规划:
#p#分页标题#e#
机箱外形及内部布局设计基本根据个人审美喜好,本人想法是做成工艺精细但简单、坚固、方正规范,类似工业设备风格。机箱设计加工一向是大多电子技术爱好者的弱项,所以设计时尽量避免有难度的加工工艺和复杂机构。诸如进出仓、滑顶、机械开关等都不使用。
线路设计
由于线路图幅度较大,采用分功能贴图说明的方式,但一些细碎的地方就不发出来浪费版面了
1. 控制板MCU是PIC16F871,这是为了用现成的源代码。这里要向http://bergrans.despinnerij.nl致谢,该网站提供了控制部分的应用线路图和Assemble 语言的源程序下载。由于本人在硬件线路上作了很多更改(按键端口、上电控制、光碟检测等),相应的软件设置也作了修改来配套使用。所以这里不发出来误导大家。需要的朋友最好去下载原线路图来参考。地址:http://bergrans.despinnerij.nl/doc/controller-sch.pdf
2. SPDIF数字信号接收线路图:
此部分包含同轴、光纤接收和同轴发送。
数字信号接收:用了两个方案,把Cirrus Logic的CS8416和Burr-Brown的DIR9001都设计进去了(这正是自己设计的好处,商品机和套件可不会这么干),通过设置于后面板的按键控制继电器来切换。该型继电器由脉冲驱动跳转并自锁,不需要维持电流,能做到“断电保持”,用在这里非常合适。
数字信号输出:仅一组同轴,使用一个脉冲变压器。不设光纤输出是因为个人没有再为此机配一台独立DAC的打算,这个同轴输出存在的意义也仅是用来做测试的需要。
3. 异步采样转换线路:
这部分功能不是必需的。CDPro2M模组本身可以设置I2S倍频输出为2XFs或4XFs,但SPDIF接收来的信号则从16Bit/44.1K~24Bit/192K的各个规格都可能有。为此在本机上采用CS8421作异步取样转换,即不管收到什么规格的数据,统统转换成24Bit/96K或24Bit/192K再送去DAC。原理如下图:

几乎所有CD音源技术爱好者都会关心时钟同步和Jitter问题,高手们也提出过很多解决方案,简单如采用高精度时钟源、用DAC时钟分频回馈;复杂的则利用FIFO、FPGA进行时基重整等等。对于DIYer来说,有些方案你认真去实做验证可能会发现简直是个噩梦。我用简单的, DAC板采用独立时钟,同步不同步的问题就交给异步采样转换去和稀泥。我们把它想简单点:都叫“异步采样”了,逻辑上来说当然可以不再考虑是否“同步”这个令人头大的问题。
固定输出采样率决定于外部主频MCLK。这个MCLK不需要很精确但要求很稳定,实验时用24MHz、27MHz这样的“非标”频率本机也可以工作得很好(DAC并不是只能消化44.1KHz或48KHz、96KHz这样的套餐,只要不超出其最高工作频率范围都可行)。#p#分页标题#e#
另外,芯片工艺决定CS8421内核是2.5V供电的,为了I/O接口兼容,逻辑电压须使用5V
DAC和低通等部分后面在上图,免得整版线路图看起来眼花
先看看上面线路来设计的PCB以及做出来的电路板实物
PCB设计设计截屏图:
焊接好的PCB实物:

继续:
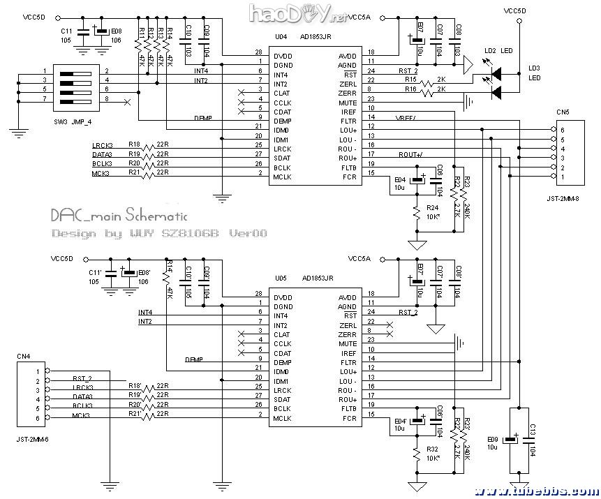
4. DAC部分
此部分是设计重点,也是整机制作最复杂之处。为了把自制CDP同时作为实验平台来用,采用了两套DAC解码方案——ADI的AD1853和Burr-Brown的PCM1704。这两颗芯片分别代表了Sigma-delta和经典R-2R构架的高端型号产品,值得多花些心思让它们可以同台竞技。
主板上的#p#分页标题#e#AD1853原理图:

DF1704+PCM1704做成子板,下图PCM1704为一个声道:

由于AD1853单片输出双声道的差分模拟信号,因此两片实际上是全并联的;而PCM1704单片输出一个声道的单端信号,所以用了4片,每声道2片作差分输出。这样的设计,会使得PCM1704的输出幅度倍增,带来共用模拟滤波线路时的兼容问题,必须对后面的模拟线路参数进行调整。使其在使用AD1853时有足够的输出幅度,而用PCM1704时又不至于削波。
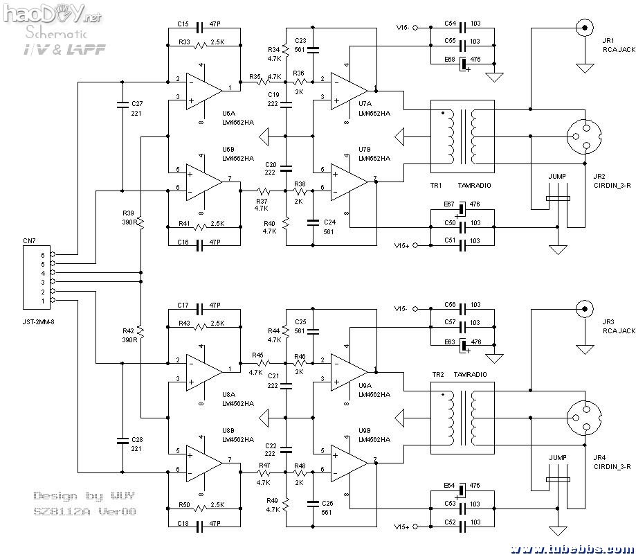
5. 模拟输出部分

#p#分页标题#e#音频输出使用变压器。这个型号用仪器测试的结果不尽理想,正反臂绕组结构应该是非对称的,特别是方波超过25KHz后,两臂波形相差明显。使用它的原因仅仅是实验中曾讨好过我的耳朵,进而坚定地舍弃了输出电容。这个变压器如不想用,PCB上跳过去即可。
既然用了192KHz24Bit的DAC,并且变压器天然具有阻挡高频的特性,按理可以省掉LPF。但反复琢磨后,还是担心把过多高频量化噪声送去输出变压器,会带来调制使其工况复杂化。饭菜里的砂子虽未必会产生有毒物质,但吃下去总会影响胃口甚至妨碍消化功能,预先洗一洗淘一淘还是必要的。再者,如果今后实践验证了可不用LPF并带来音质上的好处,那么可很容易地去掉些阻容元件便将LPF改为单纯的Buffer形式。
电源部分虽阵容庞大但原理相对简单,线路图略
主板PCB设计(局部):
做回来的全部PCB:
焊接完成的主板,DAC局部:
#p#分页标题#e#
装上PCM1704子板局部图:

接下来,在PCB调试之前,还需要做一些周边工作。有些器件制作过程在牛哥土炮分类发贴说明。在胆艺轩这里,为了帖子的完整性,全部整合到一起来
计划采用两只50W的R牛,分别供应数字和模拟部分。显然不指望去找规范点的变压器厂,没谁会理睬每个规格各一台的订单。所以这牛还得自己造——确切说是改造。
如图是买回来的垃圾牛,经加载测试,不叫唤不颤抖不发热,身板基本硬朗属可雕之材,比很多网店卖的For AUDIO要实在多了,只是电压不合适且品相破旧。
有了前面做2A3PP的绕牛实践,改造起这2个小东西来还是比较轻松
重绕次级改造后的R牛,模拟牛AC 15V+15V(整流稳压后±15V),数字牛AC 7.5V+10V(整流稳压后分别为5V和9V)。绕制、引线、浸漆等工艺处理和外观上稍用点心,看起来就脱胎换骨了。

继续:碟镇的制作
CDPRO2原配的碟镇刚拿到手就想扔了,后来还真就扔了,只留下磁铁用来做新的。
设计效果图:嵌入原磁铁就成为新的碟镇
这里要说一下:#p#分页标题#e#为了符合应用手册中严格的夹紧力规格要求(135grf~200grf),无专业测试手段的情况下,最简单易行的是利用原碟镇磁铁,间隙等参数也全都照做。由于使用铝合金,内部车制成空腔结构以减轻重量和惯性。设计画图时已可计算出成品重量约42g,比原配稍重,但远低于150g的上限。
加工好的实物图:
新碟镇上岗工作:

接下来进入PCBA的调试测试阶段,这个过程无图可示,需要较多文字来说明
工具和仪器:SONY测试信号碟、菊水dB表、HAMEG数字/模拟150MHz双踪示波器、MASTECH台式万用表。
1. 电源及数字电路确认元件焊接完成后通电。每部分电源电压都需要确认,数字电路部分亦主要是确认而基本不涉及调试。即便没有连接任何外部信号输入,各种时钟信号也是可以测量到的,籍此可以借助示波器来判断其是否正常工作。还能直观地看到波形好坏、幅度大小、频率是否准确等。
需要调整电压的是板上6个LM317K/337K。供运放的模拟电压±15V,供CDPro2模组及控制板的+5V和+9V以及供#p#分页标题#e#DAC的±5V。这些电压都不需要十分精确(要求精确供电的部分全都使用了ADP3338作二次稳压),但条件允许当然还是精调到了小数点后4位。
经实验CDPro2M在加载寻轨时9V电源的瞬时电流可达1.2A,所以要求供电要有1.5A以上。这里预先做实测,用5.1欧姆电阻接9V输出,示波器扫描速度设置1S/DIV,捕捉到电压纹丝不动,说明性能有足够保证了。而正常工作时大多在200mA以下,因此不需加散热片。此处电源供应是否充沛,会直接关系到读碟循迹是否准确快速。
程序烧写:
很多土炮朋友都怕这一步,但其实它最不费力气。将下载的源代码文件,用MPLAB IDE工具编译成HEX后烧录进MCU,过程就不作详述了。有需要的朋友可查找一下相关教程说明。我用一个简易USB编程器通过ICSP端口烧写,连接如图:

慢慢来,就快到成品了,先继续调试板子。。。
摆地摊进行功能、性能测试:
上电后LCD#p#分页标题#e#背光亮,随即显示设定的LOGO:
半成品测试和调整:
频率响应:20Hz-0.4dB;
30Hz-0.25dB;
50Hz~20KHz
< -0.1dB
输出幅度:AD1853:5.6Vp-p
;
PCM1704:7.4Vp-p#p#分页标题#e#
分 离 度:>108dB 不计权
信 噪 比:>98dB 不计权
这种简单的信号碟+dB表+示波器的测试,我们从结果上看不出AD1853和PCM1704有何差异,更看不到CDPro2M有何优点。这一步测试的意义在于验证设计制作是否达到基本的功能、性能正常
继续---总装
内部连接中:#p#分页标题#e#
连接完成:
局部:
机箱氧化成银白色会更漂亮且有现代感。但是开放式读取机构需要考虑环境光线对光头的干扰,无疑用哑光黑色更能有效减低走光程度。
片仓局部图:两个小孔是预备将来安装光电检测盘片用的

完成图:
换个角度

附加课题:整机性能指标测试
以下音频分析仪显示的结果,均为RCA单端输出模式的测试。平衡输出将会有更好的失真度和信噪比(平衡输出会抵消掉共模噪声,不能反映出真实问题所在)。同时这个测试的是LPF输出,变压器未断开,成了额外的电感负载,暂不计它的影响。关于变压器输出的测试情况,后面作专题分析。#p#分页标题#e#
以下测试,均以播放测试信号1KHz0dB的输出幅度作为0dB
1.声道平衡:1KHz0dB输出 < 0.4mV;20Hz~20KHz 0dB测试,带内不平衡度低于0.05dB
2.频响测试:频带内小于0.1dB,如图:
3.总谐波失真(THD+N):-92dB,如图:
4.信噪比:频带内S/N >100dB,A计权111.9dB ,如图:
5.通道分离度:此指标加上S/N,能直接反映PCB设计的水准。如图是一个声道1KHz0dB信号的FFT分析。可以看出,另一声道基本在-130dB以下
6.互调失真(IMD):这是耳朵比较敏感的一项指标,用400Hz和7KHz进行测试时,7KHz#p#分页标题#e#两侧的6.6KHz和7.4KHz均无明显的互调干扰。频带内干扰成份均在-98dB以下。如图:
(责任编辑:admin) |