|
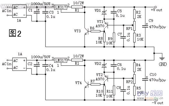
发烧友对音响音质的追求是无止境的,特别是前级放大电路,都希望得到更纯净的音乐背景和更好的音质。 要做一套音质上乘的功放,首先要有一款性能优越的前级放大电路,而一款好的前级放大电路要发挥其最佳性能,就需要有优秀的电源给其供电! 有的 Hi—END 级的前级机就使用了干电池供电了,如:日本松下公司的极品功放前级 SU-C7000 就采用电池供电了!而国内的获奖机其前级电路就多为由分立元件组成的, 图 1 是稳压 IC 、分立稳压电路、电池三种供电系统的噪音比较图。 在这里向广大发烧友介绍国内获奖机用得最多的甲类并联式稳压电路,电路图见图 2 , 用该电路给前级放大电路供电,背景非常宁静,使低频埪制力变好,而且有力度, 中高频变得滑顺,柔和,大大改善了音乐,在主观听感上感觉较为温和,没有一些冷艳,刺耳感,用该电源电路去摩机,可起到立竿见影的效果,音响音质改善十分明显! 因为一般音响多为用三端稳压或串联式稳压,好一些的用有源伺服稳压,而甲类并联式稳压电源电路的性能和电池供电的性能最接近,效果当然显著! 面分析一下甲类并联式稳压电源的工作原理: 220V 的市电经过变压器降压后经整流桥整流后由 C1 ( C2 )滤波,滤去交流杂波,接着由性能优越的 LM317 与 R1 组成的恒流电路(约 160mA ,足可以驱动任何纯甲类前级放大电路,若要电流更大,改变 R1 的阻值即可)、恒流电路能够阻断电源噪音,并有效地退耦掉后级通过电源对前级的干扰,经过恒流之后的电源由 VT1 ( VT2 )、 VD1 ( VD2 )及 RP1 ( RP2 )、 R2 — R5 )等构成电压误差取样设置电路并经 R6 ( R7 )的控制调整管 VT3 ( VT4 )的基极,改变调整管的导通压降,利用分流电流,达到稳压的目的。调整管与负载是并联的,阻值很小。 制作时,恒流源( LM317T )与调整管要装在一块较大的散热器上 (注意各管与散热器要垫上云母片绝缘)。笔者制作时的元件选择:电源是前级性能好坏的关键部份,因此要下足料才行,正负电源的整流用 1A 的整流桥,滤波电容用日本名牌如:黑金刚、 ELNA 、红宝石、松下等,无极电容用松下 CBB 金属化无感电容或荷兰汤母逊 MKP 电容,电阻: R1 用 2W 或以上的金属膜电阻,余下的电阻为进口的 1/4W 的五色环金属膜电阻,小功率的三极管用噪音低的音响名管 A970 ,中功率的也用音响名管 C2073 ,调节输出电压的电位器不能用普通品,一定要用精密电位器才行(市面售价为 6-8 元 / 只)。 好的元件当然要配上好的线路设计才行:笔者采用环氧玻纤线路板和镀银工艺的。 调试:正确焊接好并接上适合电压的变压器后即可通电调试(注意:变压器的电压一定要比前级音响所需电压相等或大于才行):用 2 只数字万用表分别接正负电源的输出端测量其输出电压,然后分别调节正负电源电路中的精密电位器,使其稳定在前级电路所需的电压,并且使正负电源电压相等即可,此时就可以给前级供电了! 相信清纯透澈、层次感丰富、高频纤细、圆润、甜美动听是音响改变供电后的音质描述! 花费几十元就有立竿见影的效果了,发烧友如有兴趣,动手一试便知分晓! (责任编辑:admin) |


























