基于LT1084的大电流线性可调稳压电源制作
时间:2012-09-02 12:27来源:未知 作者:admin 点击:
次
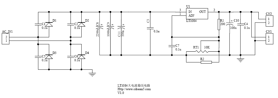
LT1084是LT公司推出的大电流低压差线性稳压IC,标称输出电流5A 电路图 2.电源输入输出: 板子的AC输入范围是3V~20V,DC输出范围是1~20V,DC最大电流5A 在大电流输出的时候,请注意,输入输出的压差最好步要大于6V,否则会导致LT1084发热严重 网
LT1084是LT公司推出的大电流低压差线性稳压IC,标称输出电流5A
电路图

2.电源输入输出:
板子的AC输入范围是3V~20V,DC输出范围是1~20V,DC最大电流5A
在大电流输出的时候,请注意,输入输出的压差最好步要大于6V,否则会导致LT1084发热严重

网友制作经验
LM1084 导线电阻对电路稳压精度的影响
前段时间用 LM1084 做稳压,做了一个外接电源给数码相机用。因为电路板安装位置空间狭小,所以将稳压芯片用三根导线引至宽敞处。当时未仔细测量电路的稳压效果。用了一段时间之后发现数码相机经常提示电压低。检查蓄电池的电压,十分正常。增加一个 2000uF 的电容在稳压电路输出端,情况稍有好转,但仍然没有解决问题。后又搜索资料,有人说两个分压电阻的组织应该小一些,比如 200 ohm 数量级,如此才能有较好的稳压效果。我暗自思忱,这么小的电阻消耗太大,恐怕不适宜采用。又后来看到 datasheet 上提到导线电阻的问题,讲得颇为复杂。看过之后感觉导线电阻可能会对电路产生不利影响。遂测试。发现稳压芯片到电路板的导线居然可以有 0.1V 的压降。大惊。于是将稳压芯片该而直接焊到板子上。再带上负载测试,输出电压十分稳定,只有千分之几的波动。
?
总结,大电流通路,导线的电阻十分致命。另外切不可太长。看来需要一个毫欧表来测导线电阻才比较好
(责任编辑:admin) |
织梦二维码生成器
------分隔线----------------------------