|
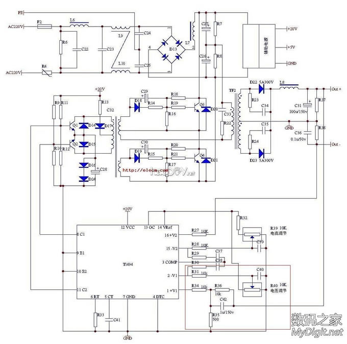
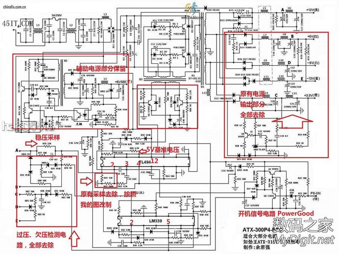
在坛子里学习了很久,自己也D了一个ATX可调电源,由于没有我自己的技术成分,其他的就不说了,直接上图吧。 电压0~26V左右 电流0~10A可调 很多坛友很感兴趣,问输出纹波大不大?我手上只有40M的数字示波器,今天测了一下,请坛友看看吧,图片在1楼。 改装的大致原理图在17楼 2013、7、6
选用的是长城电源
继续上图 ![]() ![]() ![]() ![]() ![]() ![]() ![]() ![]() ![]() ![]() ![]() 不知道怎么发,算了。就发在帖子里吧。如果侵犯了谁的权利,请告之。 ![]() ![]() ![]()
(责任编辑:admin) |



















































![[猪蹄煮不烂出品]DIY ATX电源改](/uploads/allimg/170709/1_0F9142633L54.jpg)


