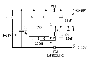
附图电路中,时基电路555接成无稳态电路,3脚输出频率为20KHz、占空比为1:1的方波。3脚为高电平时,C4被充电;低电平时,C3被充电。由于VD1、VD2的存在,C3、C4在电路中只充电不放电,充电最大值为EC,将B端接地,在A、C两端就得到+/-EC的双电源。本电路输出电流超过50mA。
(责任编辑:admin) |
附图电路中,时基电路555接成无稳态电路,3脚输出频率为20KHz、占空比为1:1的方波。3脚为高电平时,C4被充电;低电平时,C3被充电。由于VD1、VD2的存在,C3、C4在电路中只充电不放电,充电最大值为EC,将B端接地,在A、C两端就得到+/-EC的双电源。本电路输出电流超过50mA。
(责任编辑:admin) |
原材料:19V4.7A剪线电源一个,3r33横流恒压DC-DC板子一个,10k多圈电位器两个(每个3...
免费提供各种电子制作文章、资料、图纸...
便好用的虛擬地套件 先來簡單說明一下需擬地是幹嘛的,相信有不少人想問這個~~ 以最白...
直流稳压电源是任何电子电路试验中不可缺少的基础仪器设备,基本在所有的跟电有关的实...
多功能稳压电源,上门维修方便多
更新:2013-01-29
diy大电流可调稳压电源电路
更新:2013-01-05
【参赛】制作4KW大功率连续可调
更新:2017-05-29
lm317小型稳压电源制作
更新:2012-09-02