|
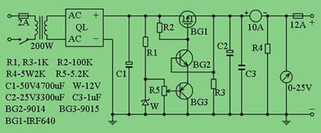
无论查验电脑照旧电子制作都离不开稳压电源,下面先容一款直流电压从2V到12V持续可调得稳压电源,最大电流可达8A,假如没有非凡要求根基能满意正常维修行使,电路见下图。
其事变道理与平凡串联型稳压电源基内情同,所差异的是行使了V-MOS功率场效应管作调解管,因不需大电流敦促,以是使电路简化,本钱低落,而稳压机能却有所进步。图中电阻R1,稳压管W,电位器R5构成一个持续可调得恒压源,为BG3基极提供基准电压,稳压管W的稳压值在12V阁下,这个稳压值抉择了稳压电源的最大输出电压,假如你想把可调电压范畴扩大,可以调解这个稳压管的稳压值,虽然变压器的次级电压也要进步。变压器的功率可按照输出电流机动把握,次级电压15V阁下。桥式整流用的整流管QL用15-20A硅桥,布局紧凑,中间有牢靠螺丝,可以直接牢靠在机壳的铝板上,有利散热。调解管用的是塑封的大电流场效应管,因为它的发烧量很大,假如机箱应承,只管购置大的散热片,扩大散热面积,假如不必要大电流,也可以换勤奋率小一点的场效应管,这样可以做的体积小一些。其它滤波用50V4700uF电解电容要买体积相对大一点的,那些体积较小的同样标注50V4700uF只管不消,当碰着电压颠簸频仍,或长时刻不消,轻易失效。其余电子元件无非凡要求,安装完成后不消调解就可正常事变。 (责任编辑:admin) |

























