最好的电子音响科技diy制作网站

haoDIY_音响电子电脑科技DIY小制作发明

当前位置: 主页 > 电子DIY > 电源DIY > 稳压电源 >

用LM317制作简易可调供电模块

时间:2014-06-20 21:19来源:未知 作者:admin 点击:
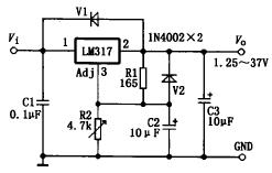
虽然一般的电子实验多使用几种固定电压,如5V、9V、12V等,但也不排除需要较特殊或变动电压的情况。于是利用LM317自制了本电源模块。 本文使用的是图1所示的电路。本模块需要另配直流电源供电,可以利用爱好者现有的直流电源,LM317有较宽的输入电压范围(5V
虽然一般的电子实验多使用几种固定电压,如5V、9V、12V等,但也不排除需要较特殊或变动电压的情况。于是利用LM317自制了本电源模块。

  本文使用的是图1所示的电路。本模块需要另配直流电源供电,可以利用爱好者现有的直流电源,LM317有较宽的输入电压范围(5V~40V)。假定输入电压为Vin(5V<Vin<40V),则改变R1和R2的比值可使输出电压在1.25V~Vin之间连续可变。

用LM317制作简易可调供电模块

图1

        这是本模块的实物图供参考

用LM317制作简易可调供电模块

用LM317制作简易可调供电模块




用LM317制作简易可调供电模块
lm317t线性可调稳压直流电源 1.25-12-24-30V 套件散件数显成品
¥5.00
已售:64

评论(50)

用LM317制作简易可调供电模块
LM317t LM337t线性可调滤波稳压直流电源 电子diy制作套件成品
¥5.50
已售:23
 
(责任编辑:admin)
织梦二维码生成器
顶一下
(0)
0%
踩一下
(0)
0%
------分隔线----------------------------
发表评论
请自觉遵守互联网相关的政策法规,严禁发布色情、暴力、反动的言论。
评价:
表情:
用户名: 验证码:点击我更换图片
栏目列表
推荐内容