|
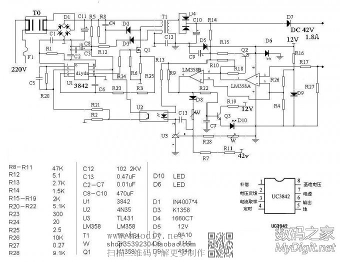
许多坛友做电源,做可调电源,确实采用494方案的PC电源来改最多,资料最全,输出电流大,但缺点是要增加输出电压必须改输出变压器,而高频变压器绕制的要求高,弄不好容易爆管,而且要是漏感大,干扰也大。再说体积也稍大不够紧凑。 其实 3842也是一个经典的PWM开关电源驱动芯片,由于采用反激方案,比494常用的正激推挽方案电路更为简洁,电压适应能力更宽,调节范围更大,尤其是在小功率(200w以下开关电源)反激方案更加适合。如用电动车充电器用来改造,基本满足业余的要求,网上买个也非常便宜。 这是因为:一 功率合适通常有100多瓦,输出2~3个安培是我们业余用得最多的。 二 电压合适,通常40多伏,这样变压器箍数比合理。 三 主要原件都有,如LM358, 基本除电阻外,仅需要两个闲置的山寨充电器,我想常在拆坛晃悠的,手里那个都能拿出一大把,真的没有,在单位或同学MM堆里号召一下,请客吃饭,条件是带上并贡献出一个闲置电源什么的,保证你能带着一大把电子垃圾挽着的女神归(嘿嘿,这些东东可有用,还可在本坛攒MM)。其他的还有电位器电压电流表接线柱等那是那个方案都要的。 这是一个典型的3842+358方案的电瓶充电器,各种型号大同小异,都可按我的方法来改造。
第一步:拆除充电器多余的元件,如果我们不需要从0伏起调,原边高压侧就几乎不用改造,但我用来玩玩小电子、小制作,大多在低压和小电流部分,毫不犹豫需要改造,附改造图如下:
分析:3842 在未工作时,静态电流很小,因此启动时交流电源经整流后通过R5向C8缓慢充电,当C8电压达到启动电压后输出PWM驱动Q1工作,此时变压器T1 在原边辅助绕组产生的反激脉冲经D3向C8充电建立3842必须的工作电压,完成启动步骤,进入正常运行,输出电压通过U2负反馈稳定输出。 由于我们要从0起调,此时3842脉冲占空比很低,会导致D3输出电压低于3842的启动电压而停止工作,系统再次重复上述启动过程,这就是我们简单改造在低压时出现的打嗝现象。显然这不是我们希望的。 解决办法,用一个辅助电源(可用那些闲置的充电器改造,以后接着说)为3842建立必须的工作条件。因此图中的启动部分和建立工作电压部分都不需要了,相应的R5 R12 D3 均可拆除(拆下的元件时有用的),尤其是那个快恢复二极管D3 我们要用到,就不用买了。 低压侧改造: 分析:和高压侧一样,由于从0起调,自身无法提供358和光耦所需的工作电压,也必须要提供辅助电源来解决,再说,数字电压和电流表也需要一个大于3.3伏的正工作电源;另外常规的改造在调到比较低的电压时调节的线性、输出的稳定性都变得较差,所以我通过建立一个负工作电源来解决;许多朋友可能会说要两个辅助工作电源太麻烦了,其实一点也不麻烦(以后详述) 这是改造后的原理图:
低压侧改动较大,需要保留的是:VD3 C4 C5 及R8电流取样电阻;LM358双运放及部分外围元件(如有C6R5 C8R10等)可保留。光偶保留(但要重新按图接线); 原理为: TL431和10u电解改成了我们的基准电压-2.5V; R12 R13组成的分压回路接在输出VC和-2.5基准电压间,当输出为0~40V时,VB分压值为(-47/2.5/50= -2.35 ~0)同样 47K电位器和3.0K电阻对基准电压-2.5进行分压,变化范围为-2.35~0)送入358 6脚。误差信号经放大后(100DB)控制光耦稳定在我们的调节值上。 同理,原电流采样电阻0.1欧和我加入的电流表取样电阻0.05欧串联成0.15欧的取样电阻,在0~3A调整时会产生0~-0.45V的压差,和Ra R7分压产生的0~-0.45V电压进行比较,误差信号控制稳定电流; 358两路运放输出均通过二极管逻辑或操作,从而超电流或超电压都将会反馈到3842降低脉冲宽度,从而达到CC 或CV的功能。 先补个拆除完成后的照片:
上图红圈位置分别为高压侧启动电阻和工作电源整流用快恢复二极管, 比前面图少了个限流电阻R12所以只要拆掉两个原件。 小贴士:先拆高压部分,将辅助电源接上,输出应该正常。这样可以避免拆了别的原件而产生其他故障,还有试验时是不需要用220v交流的,用调试电源30V直流输入,这样不用担心会放炮的。3842方案高压侧接辅助电源后30输入就能稳定输出了,轻载试验就没问题了(当然功率达不到)。
[ 此帖被huaweiwx在2015-03-18 19:40重新编辑 ]
(责任编辑:admin) |



























