最好的电子音响科技diy制作网站

haoDIY_音响电子电脑科技DIY小制作发明

当前位置: 主页 > 音响DIY > 耳放DIY >

tpa6120耳放

时间:2012-09-27 22:12来源:hifidiy.net论坛 作者:总统 点击:
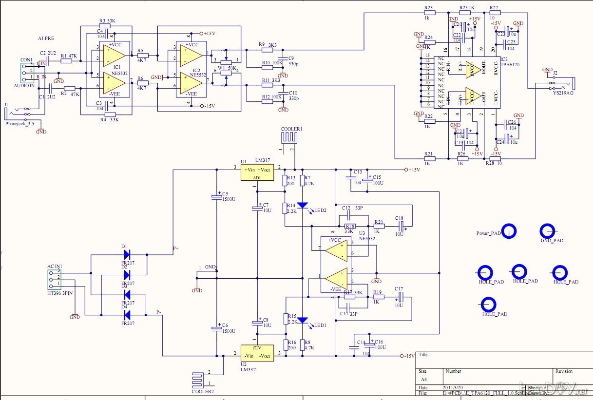
想试试高性能的ic,做了套tpa6120,是论坛里fredhw大侠的套件,祝大家国庆节快乐! 套件做的很仔细,到手感觉很不错。lm317,lm337做稳压,a1的运放搭配做前级,tpa6120做后级 主角6120,性能超群的专门耳放芯片 本人水平做一个焊工也不容易 楼上朋友焊的比
想试试高性能的ic,做了套tpa6120,是论坛里fredhw大侠的套件,祝大家国庆节快乐!

套件做的很仔细,到手感觉很不错。lm317,lm337做稳压,a1的运放搭配做“前级”,tpa6120做“后级”

tpa6120耳放


tpa6120耳放



主角6120,性能超群的专门耳放芯片

tpa6120耳放

本人水平做一个焊工也不容易

 tpa6120耳放

tpa6120耳放

楼上朋友焊的比我好多了。焊接完毕后试音,发现全是噪音,以为6120背面散热没有接地(手里只有一把破旧的大电烙铁,一直担心这个不好焊),电话fredhw求助,开始一级一级排查,发现337稳压之后只有-10v,于是换上可调电阻,把正负电压调好,因为原配是甬声的6.5mm插座,用6.5mm转3.5mm转接头的时候也有问题,单声道正常,双声道全是杂音,好像是有灰尘?就加了个3.5mm的插座

tpa6120耳放

先用8w的双15v小牛接上试音,耦合电容用wima 1.8uf,有时间把nichicon bp-s 3.3uf的换上去,运放暂时用5532试机,2134还没上,在佛山佬买的627还没到,到了折腾一下,换耦合换运放都可以影响声音的味道。

tpa6120耳放



我当时焊完后,用三星耳机带的垃圾耳机(估计是高仿),插上后全是噪音,如果只接单声道,就没问题,有音乐,双声道同时接就全变成噪音,我以为是6120自激或背面接地没焊上,之后测了中点电压还可以,就用大耳机上了,结果一点问题没有了,安静的像没开机一样。我问别人,说是6.5mm插座或者转接头有灰了

现在用前面用5532,声音温润清澈,不刺耳,就是感觉放大倍数有点小,推低阻耳机可以,推高阻有点吃力了没什么表现,我还没改放大倍数
主要就是折腾,因为我手里没有好的耳机,也没有高阻的耳机,也无法对比,耳机耳放的搭配非常重要。现在是+-15v供电。等贴片的627到手了试试627,太贵的东西就不补了,有时间再搞a1耳放。现在的古怪问题就是一接上手机配的炮灰耳塞全是噪音,换成其他耳机耳塞就没有问题,而这个炮灰耳塞接到别的地方完全正常,是不是这炮灰耳塞阻抗太低了




在这里给论坛的各位朋友大哥小弟们拜年了,这个耳放我有时间也折腾,动手快乐嘛,6120改成正相输入,全改成贴片电阻了(没有50欧的,用俩100欧并的),前面运放换成627(在佛山佬的店里买的),电阻换过了,是1.5倍放大,现在没有啸叫和空载发热的问题,就是放大倍数太大了,太过瘾了,呵呵,电位器扭一点声音就足够,声音全放开,耳机能当小喇叭用了,最大音量戴上耳机能听到明显热噪声,正常音量下背景安静。现在就是输出中点比较高,运放输出后电阻一头0mv,一头有19mv,经过6120就变成30多mv了,估计是我6120接地接到330p电容的问题,有时间再慢慢折腾玩。简单汇报一下效果,现在接32欧的飞利浦hp890大耳机,感觉低频控制的很好,原来这耳机的低频很散,很肥,现在很有弹性,控制力了。



tpa6120耳放

现在变压器小点,8w的小e牛,一直裸奔,就用铜皮简单围了一下


编著:
TPA6120是TI公司的专用耳放IC,来自TI自己的一款高速线路驱动IC,优化到音频应用,成为一只数据相当优秀的耳放驱动平台。最大输出电流0.7A每声道,足以驱动低至8欧的耳机。对付600欧的耳机能提供80MW的有效功率。对付常见的32-300欧耳机相当轻松。

首先看看TPA6120这个超级耳放IC的性能指标。

供电+-5V~+-15V

供电正负15V,负载32欧时,THD+N 0.0006%,

                      负载64欧时,THD+N 0.00029%;

                      负载600欧,输出125mW THD+N 0.00012%

                                        输出62.5mW,THD+N 0.000061%

正负5V时,转换速率为900V/us

正负15V时,转换速率为惊人的 1300V/us

毫不夸张的说目前还没有能超过它指标的IC






tpa6120耳放

tpa6120耳放 (责任编辑:admin)
织梦二维码生成器
顶一下
(0)
0%
踩一下
(2)
100%
------分隔线----------------------------
发表评论
请自觉遵守互联网相关的政策法规,严禁发布色情、暴力、反动的言论。
评价:
表情:
用户名: 验证码:点击我更换图片
栏目列表
推荐内容